EasyManua.ls Logo

V2 PD5 - Eingang Foto 1; Eingang Foto 2; Funktionstest der Fotozellen

V2 PD5
116 pages
Go to English
Print Icon
To Next Page IconTo Next Page
To Next Page IconTo Next Page
To Previous Page IconTo Previous Page
To Previous Page IconTo Previous Page
Loading...
DEUTSCH
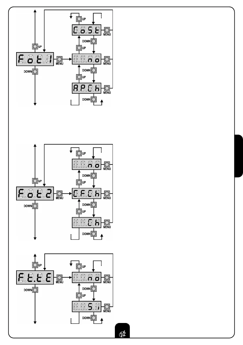
EINGANG FOTO 1 (INNENFOTOZELLEN)
Dieser Eingang kann für den Anschluss von zwei
verschiedenen Sicherheitsfunktionen verwendet
werden: Eine Fotozelle oder Lichtschranke. Die
Lichtschranke (Kontakt i.d.R. geschlossen) ist eine
Sicherheitsfunktion, die während der Öffnungs und
Schließphase des Tores aktiv ist (nicht aktiv beim
Widderstoß): Bei Signalempfang in der
Öffnungsphase wird das Tor gestoppt und die
Laufrichtung der Motoren für eine Dauer von 4
Sekunden ohne Versetzen der Flügel invertiert. In
der Schließphase stoppt die Schranke das Tor und
die Laufrichtung der Motoren für eine Dauer von 4
Sekunden ohne Versetzen der Flügel invertiert. Die
Fotozelle 1 (Kontakt i.d.R. geschlossen) ist eine
Sicherheitsfunktion, die während der Öffnungs- und
Schließphase des Tores aktiv ist: Ein
Signalempfang der Fotozelle während der Schließphase stoppt das Tor, empfängt sie kein Signal mehr,
invertiert das Tor die Bewegungsrichtung. Bei der Öffnung stoppt ein Signalempfang der Fotozelle das
Tor, empfängt sie kein Signal mehr, wird der Öffnungsvorgang wieder aufgenommen.
no der Eingang FOTO 1 ist gesperrt.
APCh der Eingang FOTO 1 ist für den Anschluss der Fotozelle 1 freigegeben.
CoSt der Eingang FOTO 1 ist für den Anschluss der Lichtschranke freigegeben.
EINGANG FOTO 2 (AUßENFOTOZELLEN)
Die Fotozelle 2 ist während des Schließvorgangs
aktiv: Empfängt sie ein Signal während das Tor sich
schließt, wird dieses gestoppt und die
Bewegungsrichtung invertiert. Die Option CFCh
aktiviert die Fotozelle auch, wenn sich das Tor im
Stillstand befindet: Stillstand versteht sich derart,
dass das Tor keinerlei Befehle empfangen hat, sich
im Pausenmodus befindet, bzw. nach Empfang des
Befehls STOP. In diesem Fall ignoriert die Zentrale
während der gesamten Zeitdauer, in der die
Fotozelle verdunkelt wird, für alle Zyklen jeden
Aktivierungsbefehl.
no der Eingang FOTO 2 ist gesperrt.
CFCh der Eingang FOTO 2 ist freigegeben, die
Fotozelle 2 ist im Schließvorgang und bei
Stillstand des Tores aktiv.
Ch der Eingang FOTO 2 ist aktiv, die Fotozelle
ist nur für den Schließvorgang aktiv.
FUNKTIONSTEST DER FOTOZELLEN
Um dem Nutzer eine noch höhere Sicherheit zu
garantieren, führt die Zentrale vor jedem normalen
Arbeitszyklus einen Funktionstest der Fotozellen
durch. Werden keine Anomalien registriert, wird der
Arbeitszyklus ausgelöst. Andernfalls bewegt sich
das
T
or nicht und die
W
ar
nleuchte b
leibt dauerhaft
eingeschaltet. Die Durchführung des Tests
beansprucht weniger als eine Sekunde.
no die Testfunktion ist nicht aktiv
Si die
Testfunktion ist aktiv
m ACHTUNG: Stromversorgungskabel der
Sender der F
otoz
ellen zwischen die Klemmen
11 und 12 der Steuer
ung anschließen.
83

Table of Contents

Related product manuals