EasyManua.ls Logo

V2 PD7 - Tempo Chiusura Anta 1; Tempo Chiusura Anta 2; Tempo Chiusura Anta Pedonale; Tempo DI Chiusura Anta 2 Durante Ciclo Pedonale

V2 PD7
116 pages
Go to English
Print Icon
To Next Page IconTo Next Page
To Next Page IconTo Next Page
To Previous Page IconTo Previous Page
To Previous Page IconTo Previous Page
Loading...
ITALIANO
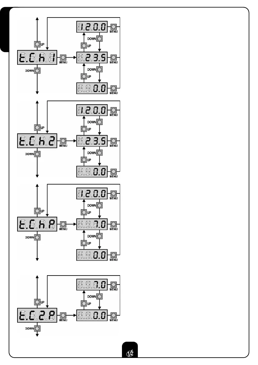
TEMPO CHIUSURA ANTA 1
Questo menù è regolabile da 0 a 120 secondi
(±0,5) e determina il tempo per cui l’anta 1 si
chiude. Per evitare che l’anta non si chiuda
completamente, è consigliabile impostare un tempo
più lungo (almeno di 1 sec.) di quello di apertura
t.AP1.
TEMPO CHIUSURA ANTA 2
Questo menù è regolabile da 0 a 120 secondi
(±0,5) e determina il tempo per cui l’anta 2 si
chiude. Per evitare che l’anta non si chiuda
completamente, è consigliabile impostare un tempo
più lungo (almeno di 1 sec.) di quello di apertura
t.AP2.
TEMPO CHIUSURA ANTA PEDONALE
Questo menù è regolabile da 0 secondi a t.Ch1
(±0,5) e determina il tempo per cui l’anta pedonale
si chiude. Per evitare che l’anta non si chiuda
completamente, è consigliabile impostare un tempo
più lungo (almeno di 1 sec.) di quello di apertura
t.APP.
TEMPO DI CHIUSURA ANTA 2 DURATE CICLO
PEDONALE
P
er
mette una regolazione da 0 secondi a t.ChP
(±0,5) e determina il tempo per cui l’anta 2 si
chiude durante la fase di chiusura dell’anta
pedonale.
8

Table of Contents

Related product manuals