EasyManua.ls Logo

V2 PD7 - Ingresso Foto 1; Ingresso Foto 2; Test DI Funzionamento Delle Fotocellule

V2 PD7
116 pages
Go to English
Print Icon
To Next Page IconTo Next Page
To Next Page IconTo Next Page
To Previous Page IconTo Previous Page
To Previous Page IconTo Previous Page
Loading...
ITALIANO
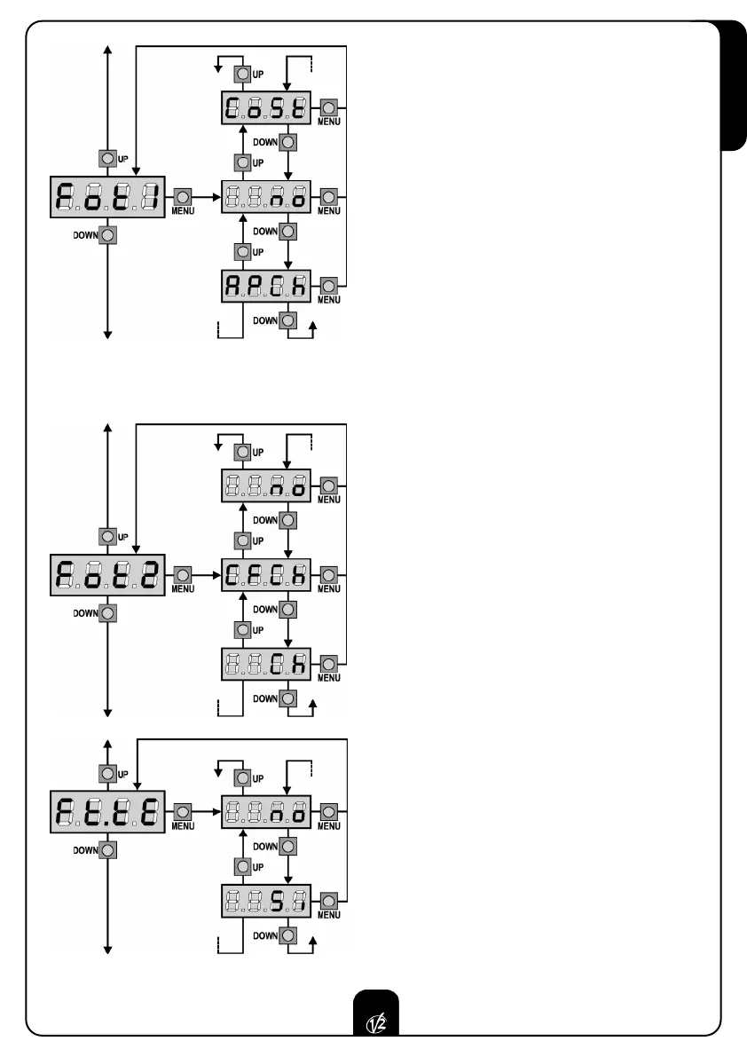
INGRESSO FOTO 1 (FOTOCELLULA INTERNA)
Questo ingresso può essere abilitato per il
collegamento di due sicurezze diverse: la
fotocellula o la costa. La costa (contatto
normalmente chiuso) è una sicurezza attiva in
apertura e in chiusura (non attiva durante il colpo di
ariete): il suo intervento durante l'apertura ferma il
cancello, inverte il moto per 4 sec. senza
sfalsamento delle ante. Diversamente l'intervento
della costa in chiusura ferma il cancello, inverte il
moto per 4s con sfalsamento delle ante.
La fotocellula 1 (contatto normalmente chiuso) è
una sicurezza attiva in apertura e in chiusura :
l'intervento della fotocellula durante la chiusura
ferma il cancello, al suo disimpegno il cancello
inverte il moto. Diversamente l'intervento della
fotocellula in apertura blocca il cancello, al suo
disimpegno il cancello riprende il moto di apertura.
È necessario installare la fotocellula 1 in modo opportuno, affinché copra lo spazio d'azione del cancello.
no l'ingresso FOTO1 è disabilitato.
APCh l'ingresso FOTO1 è abilitato per il collegamento della fotocellula 1.
CoSt l'ingresso FOTO1 è abilitato per il collegamento della costa.
INGRESSO FOTO 2 (FOTOCELLULA ESTERNA)
La fotocellula 2 è attiva in chiusura: se è oscurata
durante la chiusura ferma il cancello e ne inverte il
moto. L'opzione CFCh attiva la fotocellula anche
quando il cancello è fermo: per cancello fermo si
intende che non ha ricevuto nessun comando, che
è in pausa oppure che ha ricevuto un comando di
STOP. In questo caso, per tutto il tempo di
oscuramento della fotocellula, la centrale non sente
nessun comando di abilitazione a qualsiasi ciclo di
apertura/chiusura.
CFCh l'ingresso FOTO2 è abilitato: la fotocellula
2 e attiva in chiusura e anche quando il
cancello è fermo.
Ch l'ingresso FOTO 2 è abilitato: la fotocellula
2 è attiva solo in chiusura.
no l'ingresso FOTO2 è disabilitato.
17
TEST DI FUNZIONAMENTO DELLE
FOTOCELLULE
Per garantire una maggior sicurezza per l’utente, la
centrale opera, prima che inizi ogni ciclo di
operazione normale, un test di funzionamento sulle
fotocellule. Se non ci sono anomalie funzionali il
cancello entr
a in mo
vimento
. In caso contrario resta
fermo e il lampeggiante è acceso. Tutto il ciclo di
test dura meno di un secondo.
no la funzione test non è attiv
a
Si la funzione test è attiva
m ATTENZIONE: collegare l’alimentazione
del trasmettitore (TX) della fotocellula tra
gli appositi morsetti 11 e 12.

Table of Contents

Related product manuals