EasyManua.ls Logo

V2 PD7 - Beleuchtung; Blinksignal; Blinksignal IM Modus Pause

V2 PD7
Print Icon
To Next Page IconTo Next Page
To Next Page IconTo Next Page
To Previous Page IconTo Previous Page
To Previous Page IconTo Previous Page
Loading...
DEUTSCH
80
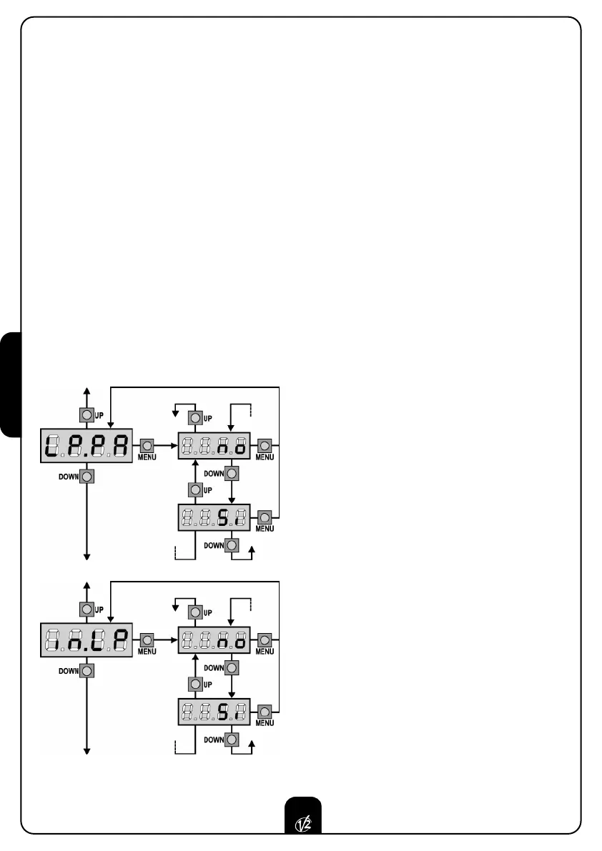
BLINKSIGNAL IM MODUS PAUSE
Mithilfe dieses Menüs kann die Blinkleuchte im
Modus Pause aktiviert oder deaktiviert werden.
BLINKSIGNAL
Die Zentrale PD5 - PD7 gestattet den Anschluss
einer Warnleuchte, mit oder ohne Blinksignal.
Verfügt die Leuchte bereits über eine eigene
Blinksignalfunktion, muss die Option "Si"
ausgewählt werden; ist dies nicht der Fall, wählen
Sie bitte "no" um das Blinken zu ermöglichen.
BELEUCHTUNG (nur PD5)
Der Ausgang COURTESY LIGHT der Zentrale PD5 gestattet den Anschluss einer Zusatzanwendung
(zum Beispiel die Beleuchtung der Auffahrt oder des Gartens) die automatisch durch Druck auf die dafür
vorgesehene Taste auf der Fernbedienung aktiviert wird.
Im ersten Fall kann das Schließen des Kontaktes N.a. durch den Befehl START oder START
FUSSGÄNGER (sowohl mittels Schlüssel, als auch mit der Fernbedienung) erfolgen.
t.LUC die Beleuchtung schaltet sich für die einstellbare Dauer von 0 bis 999 Sekunden ein.
CiCL die Beleuchtung schaltet sich für die gesamte Zyklusdauer ein.
Im zweiten Fall durch Betätigen der auf dem Funkeingang tEL4 gespeicherten Fernbedienung.
AUS Hilfsoutput mit einstellbarer Funktionslogik.
Wobei der COURTESY LIGHT zu einem Hilfsoutput wird, dem eine der folgenden Funktionen zugeordnet
werden kann:
tiM Hilfsoutput mit Timer: das Signal der Fernbedienung aktiviert das Relais, welches im Anschluss
automatisch nach einer von 0 bis 999 Sekunden regulierbaren Zeit wieder deaktiviert wird.
biSt Relais des Hilfsoutputs mit bistabiler Funktion: aktiviert das Relais mit der ersten
Signalübertragung durch die Fernbedienung, mit der zweiten Übertragung wird es deaktiviert.
Mon Relais des Hilfsoutputs mit monostabiler Funktion: aktiviert das Ausgangsrelais über die
gesamte Zeitdauer der Übertragung durch die Fernbedienung, wird diese unterbrochen,
deaktiviert sich das Relais.

Table of Contents

Related product manuals