EasyManua.ls Logo

Vaillant ecoMAX pro - Fault Finding Wiring Diagram

Vaillant ecoMAX pro
40 pages
Print Icon
To Next Page IconTo Next Page
To Next Page IconTo Next Page
To Previous Page IconTo Previous Page
To Previous Page IconTo Previous Page
Loading...
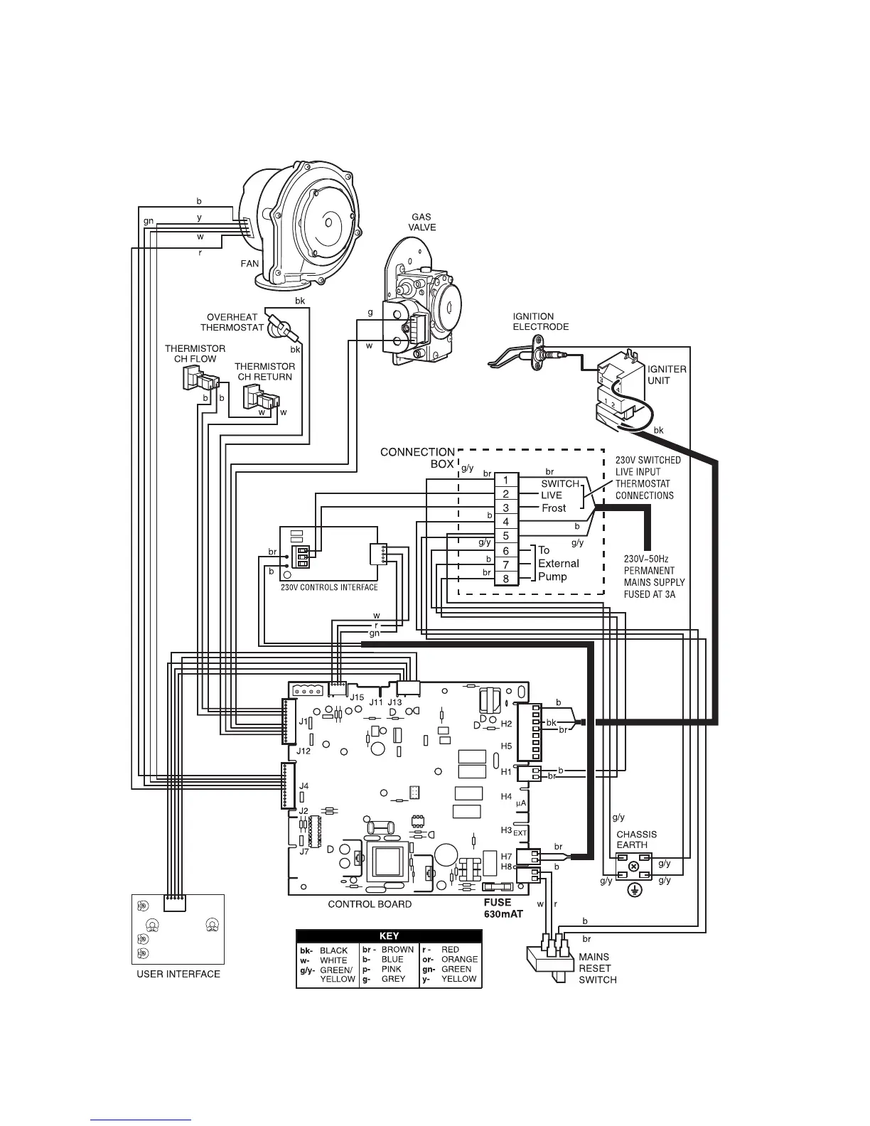
Instructions for Use, Installation and Servicing ecoMAX pro36
16 Fault finding (wiring diagram)
Fig. 16.3
16.4 Fault Finding
12933

Table of Contents

Related product manuals