EasyManua.ls Logo

Valtra 6650 - Page 440

Valtra 6650
1361 pages
Print Icon
To Next Page IconTo Next Page
To Next Page IconTo Next Page
To Previous Page IconTo Previous Page
To Previous Page IconTo Previous Page
Loading...
399
Model Code Page
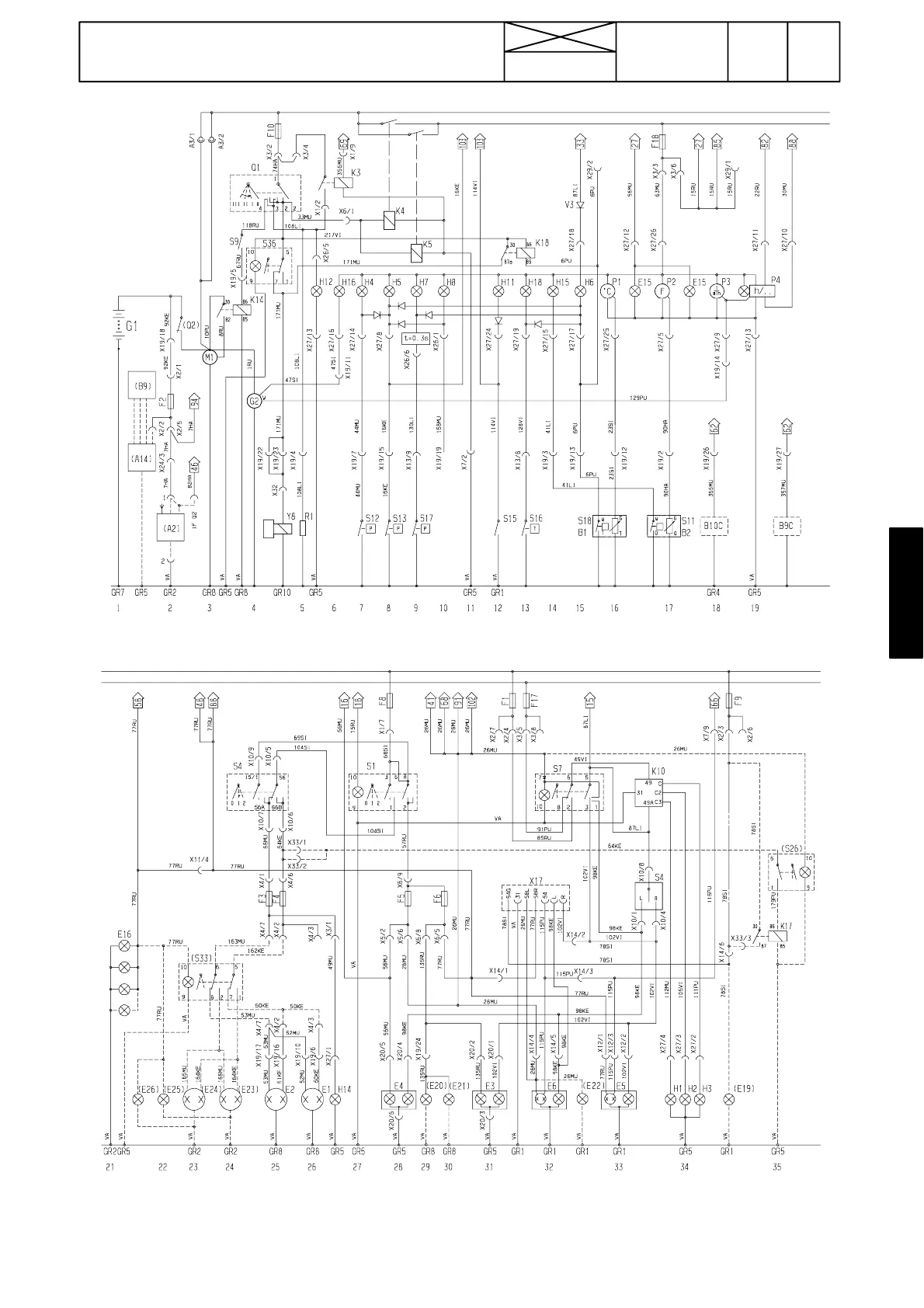
35. Autocontrol IV
15. 4. 1995
6600E
8100E-- 8750E
350 15
1. 1. 1995
325 499 20A
A C 4 --- 1 / 6
A C 4 --- 2 / 6

Table of Contents

Related product manuals