EasyManua.ls Logo

Valtra 6650 - Page 441

Valtra 6650
1361 pages
Print Icon
To Next Page IconTo Next Page
To Next Page IconTo Next Page
To Previous Page IconTo Previous Page
To Previous Page IconTo Previous Page
Loading...
400
Model Code Page
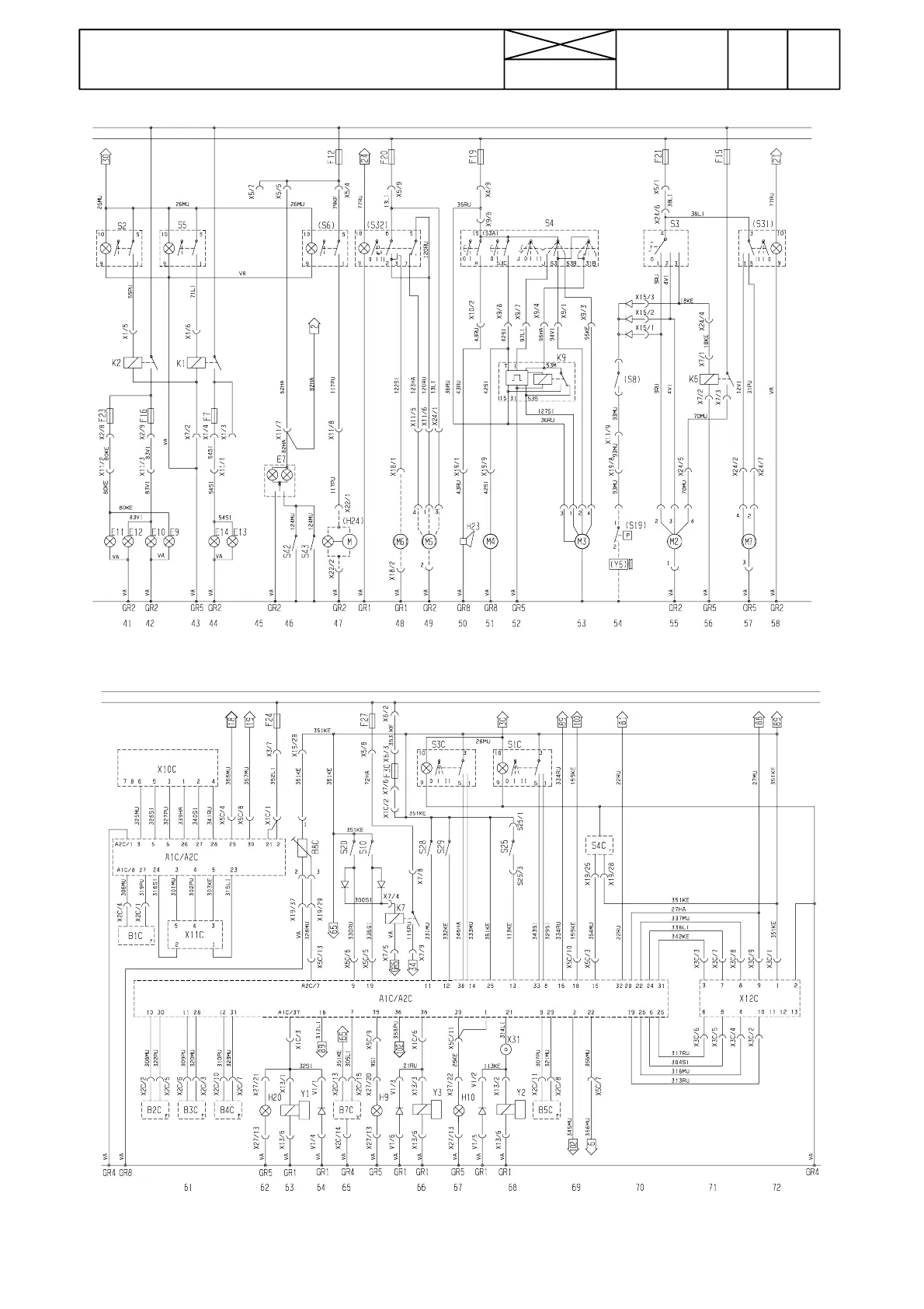
35. Autocontrol IV
15. 4. 1995
6600E
8100E-- 8750E
350 16
1. 1. 1995
A C 4 --- 3 / 6
A C 4 --- 4 / 6

Table of Contents

Related product manuals