EasyManua.ls Logo

Van Norman 204 - Page 35

Van Norman 204
43 pages
Print Icon
To Next Page IconTo Next Page
To Next Page IconTo Next Page
To Previous Page IconTo Previous Page
To Previous Page IconTo Previous Page
Loading...
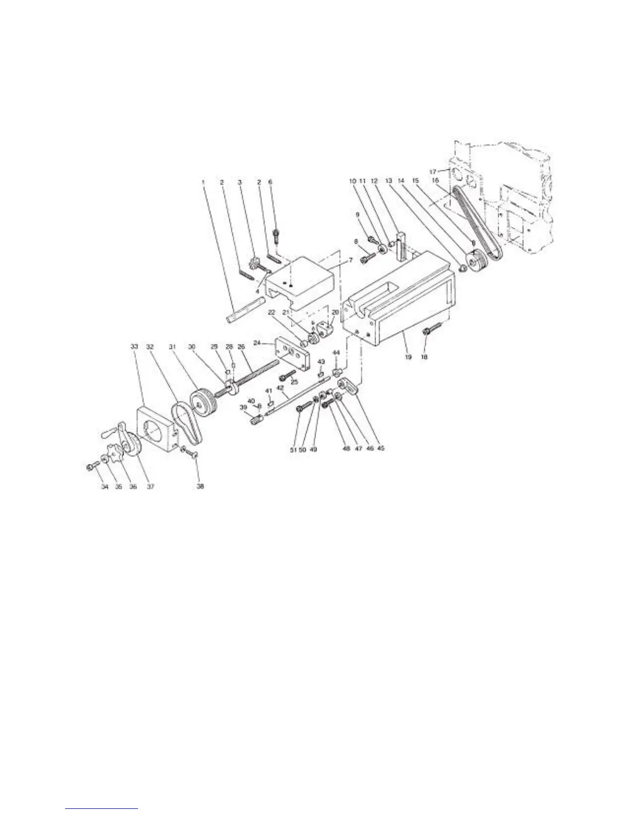
204 Heavy Duty Combination Brake Lathe
POWER FEED ATTACHMENT FOR FACING DISC BRAKES
Van Norman 31. 888-855-1789