EasyManua.ls Logo

Veeder-Root TLS-350R - Inventory Report; IN-TANK INVENTORY

Veeder-Root TLS-350R
59 pages
To Next Page IconTo Next Page
To Next Page IconTo Next Page
To Previous Page IconTo Previous Page
To Previous Page IconTo Previous Page
Loading...
POS App Guide DIM Installation Examples
19
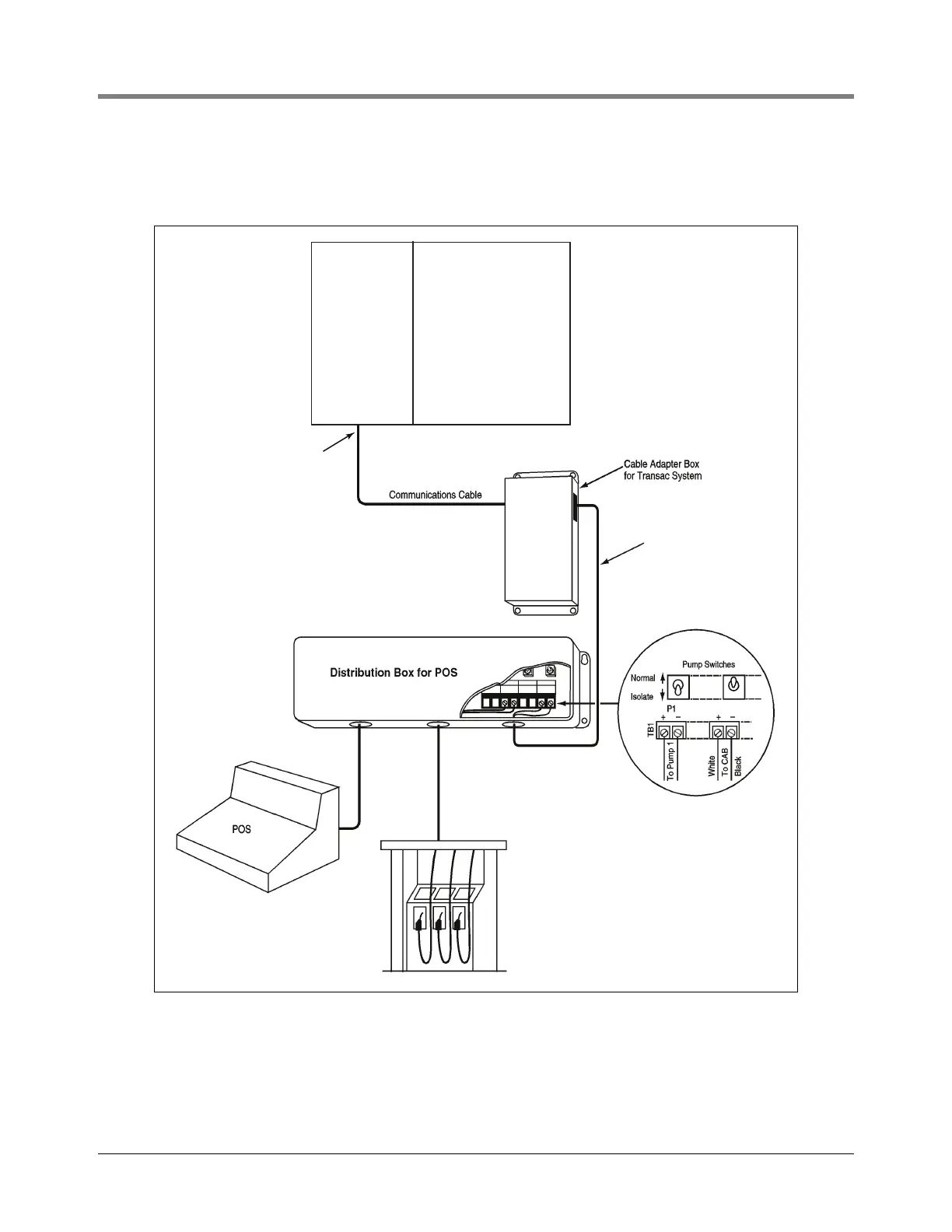
WIRING DIAGRAM FOR A TRANSAC CURRENT LOOP INTERFACE
A PA0133 distribution box is shown in Figure 3 below. Other box models are slightly different.
Figure 3. Transac Series Current Loop Interface
Shielded 2 Wire
Flying Lead Cable
Connects to
CDIM
TLS Console
401-8.eps

Table of Contents

Other manuals for Veeder-Root TLS-350R

Related product manuals