EasyManua.ls Logo

Vernacare Vortex - Lid Arm Assembly Parts

Vernacare Vortex
42 pages
Print Icon
To Next Page IconTo Next Page
To Next Page IconTo Next Page
To Previous Page IconTo Previous Page
To Previous Page IconTo Previous Page
Loading...
20
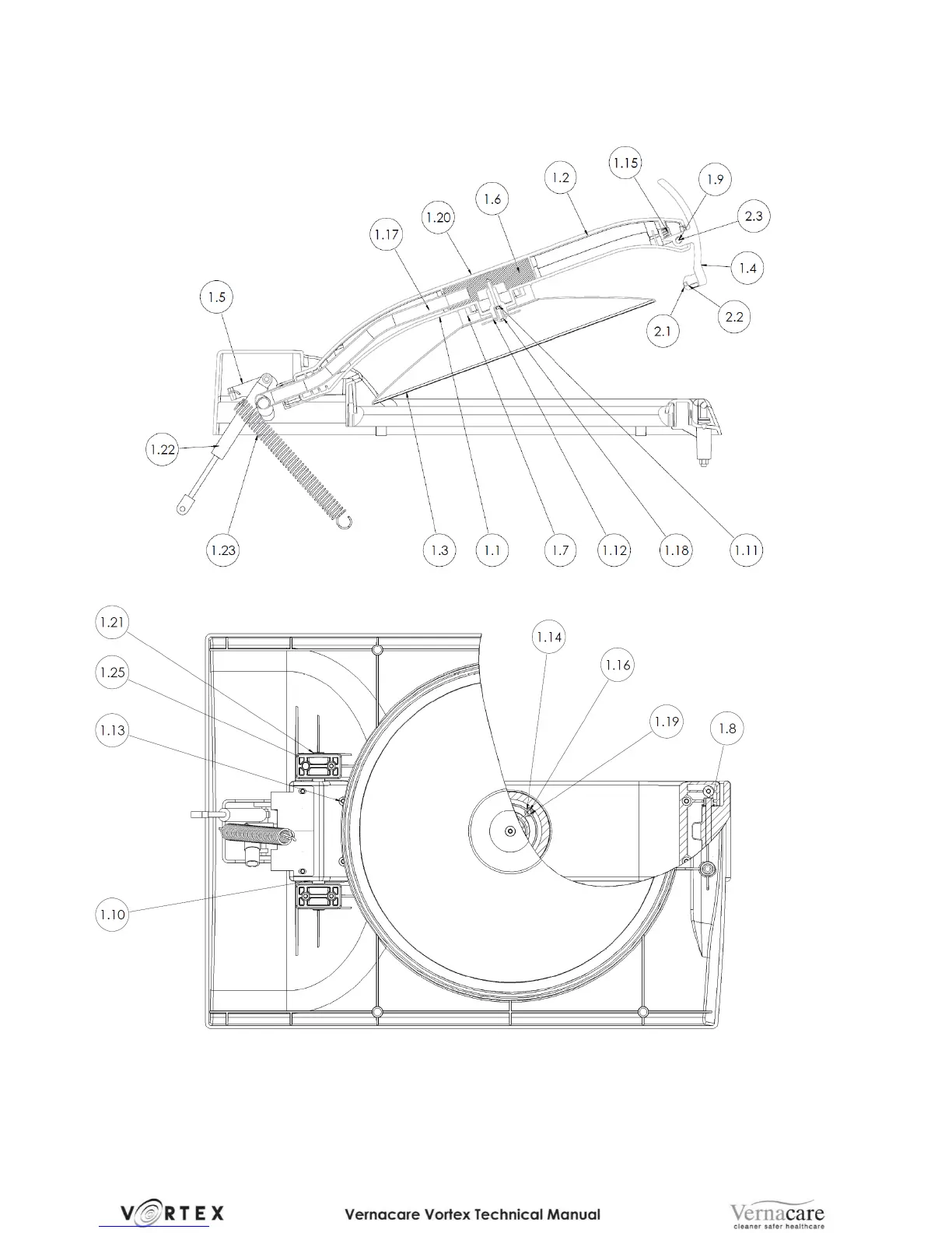
7 Lid Arm Assembly
Figure 5 Lid Arm Assembly

Related product manuals