EasyManua.ls Logo

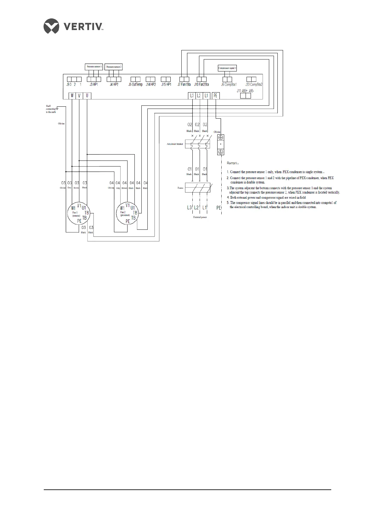
Vertiv Liebert LSF52-T - Circuit diagram of the condenser with double fans

Vertiv Liebert LSF52-T
33 pages
Print Icon
To Previous Page IconTo Previous Page
To Previous Page IconTo Previous Page
Loading...
Vertiv I Liebert Air Cooled Condenser I User Manual 29
Figure 2 Circuit diagram of the condenser with double fans

Related product manuals