EasyManua.ls Logo

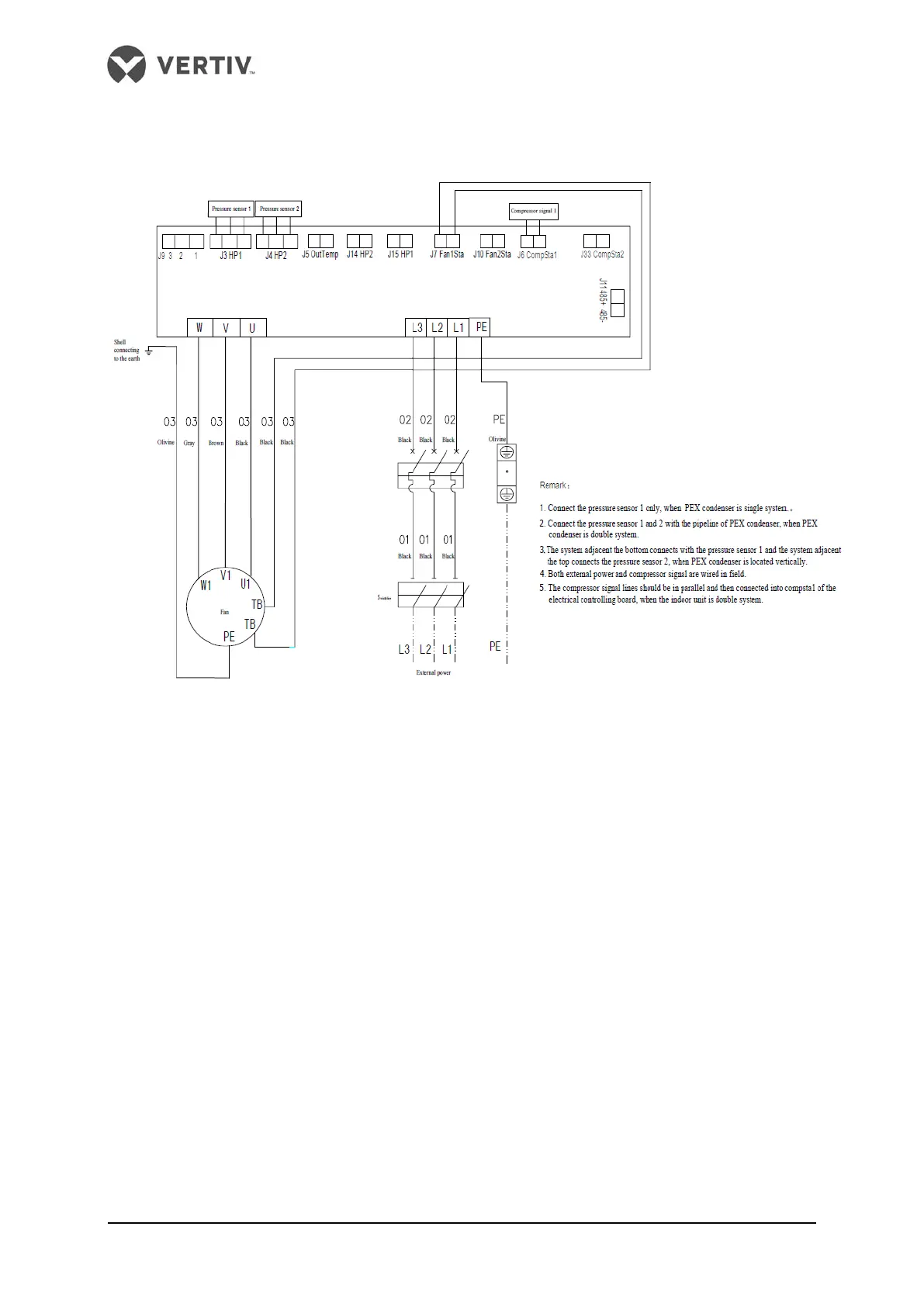
Vertiv Liebert LSF52-T - Appendix Circuit Diagram; Circuit diagram of the condenser with single fan

Vertiv Liebert LSF52-T
33 pages
Print Icon
To Next Page IconTo Next Page
To Next Page IconTo Next Page
To Previous Page IconTo Previous Page
To Previous Page IconTo Previous Page
Loading...
Vertiv I Liebert Air Cooled Condenser I User Manual 28
Appendix Circuit Diagram
Figure 1 Circuit diagram of the condenser with single fan

Related product manuals