EasyManua.ls Logo

Vetus BOW9512C - Elektrisk Skjema

Vetus BOW9512C
Print Icon
To Next Page IconTo Next Page
To Next Page IconTo Next Page
To Previous Page IconTo Previous Page
To Previous Page IconTo Previous Page
Loading...
020526.06 67
vetus® Operation manual and installation instructions bow thrusters BOW9512C and BOW9524C
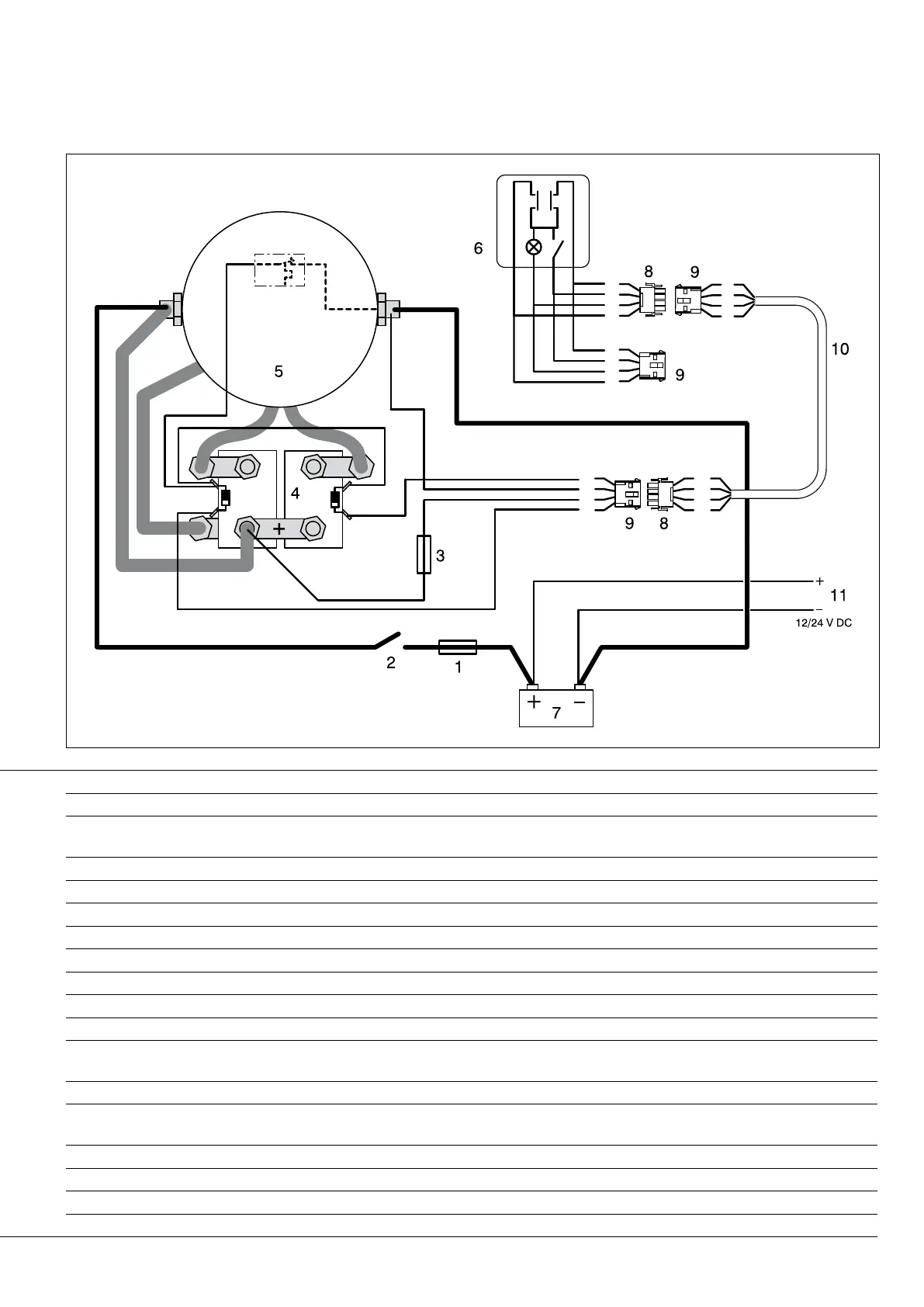
1 Hoofdzekering Main fuse Hauptsicherung Fusible principal Fusible principal 1 Fusibile principale Hovedsikring Huvudsäkring Hovedsikring Päävirtasulake
2 Hoofdschakelaar Main switch Hauptschalter Interrupteur principal Interruptor principal 2 Interruttore principale Hovedafbryder Huvudströmbrytare Hovedbryter Päävirtakytkin
3 Stuurstroomzekering Control current fuse Steuerstromsicherung
Fusible courant de com-
mande
Fusible de circuito de
control
3
Fusibile del circuito di
comando
Styrestrømssikring Styrströmsäkring Styrestrømsikring Ohjausvirtasulake
4 Magneetschakelaar Solenoid switch Relais Contacteur solénoïde Interruptor de solenoide 4 Interruttore solenoidale Magnetafbryder Kontaktor Magnetbryter Rele
5 Elektromotor Electromotor Elektromotor Moteur électrique Electromotor 5 Motore elettrico Elektromotor Elmotor Elektromotor Sähkömoottori
6 Bedieningspaneel Control panel Bedienungspaneel Panneau de commande Tablero de mandos 6 Panelo di comando Betjeningspanel Manöverpanel Kontrollpanel Ohjauspaneli
7 Accu Battery Batterie Batterie Batería 7 Batteria Batteri Batteri Batteri Akku
8 Steker Plug Stecker Prise mâle Clavija macho 8 Spina maschio Stik Stickkontakt Støpsel Pikaliitin
9 Contrasteker Socket Kontrastecker Prise femelle Clavija hembra 9 Spina femmina Kontrastik Kontrastickkontakt Stikkontakt Pikaliitin
10 Verlengkabel Extension cable Zwischenkabel Câble de branchement Cable prolongador 10 Prolunga Forlængerledning Förlängningskabel Skjøtekabel Jatkokaapeli
11 Dynamo Alternator Lichtmaschine Générateur Generador 11 Dinamo Dynamo Generator Dynamo Generaattori
12 Thermische beveiliging Thermal Protection Thermosicherung Sécurité thermique
Dispositivo térmico de
seguridad
12 Protezione termica Termisk beskyttelse Termiskt skydd Termisk sikring Lämpösuojain
Kleurcode bedrading: Wiring colour code:
Farbkode für die Be-
drahtung:
Code de couleur des
câbles:
Código de color de los
cables:
Codice colori cavi: Farvekode til kabler: Färgkod kablage: Fargekode ledninger: Kaapeleiden värikoodit:
1 Blauw Blue Blau Bleu Azul 1 Blu Blå Blå Blå Sininen
2 Rood (+) Red (+) Rot (+) Rouge (+) Rojo (+) 2 Rosso (+) Rød (+) Röd (+) Rød (+) Punainen (+)
3 Zwart (-) Black (-) Schwarz (-) Noir (-) Negro (-) 3 Nero (-) Sort (-) Svart (-) Svart (-) Musta (-)
4 Wit White Weiß Blanc Blanco 4 Bianco Hvid Vit Hvit Valkoinen
4
3
2
1
4
3
2
1
1
2
3
4
1
2
3
4
1
2
3
4
12
A1
A2
D1 D2
10 Elektrisch schema Schaltschema Esquema eléctrico Schema elettrico Kopplingsschema Sähkökaavio
Wiring diagram Circuit electrique Elektrisk skema Elektrisk skjema

Related product manuals