EasyManua.ls Logo

VEVOR APD30 - Page 102

VEVOR APD30
104 pages
Print Icon
To Next Page IconTo Next Page
To Next Page IconTo Next Page
To Previous Page IconTo Previous Page
To Previous Page IconTo Previous Page
Loading...
- 9 -
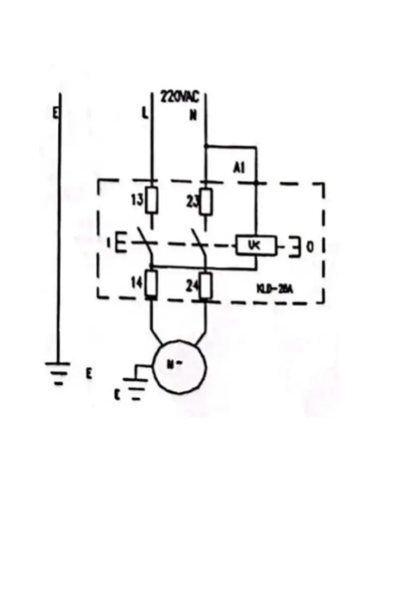
6 . Elschema
KLD:Switch M:Motor
FA: Termoskydd av motorn

Related product manuals