EasyManua.ls Logo

VEVOR APD30 - Electrical Diagram

VEVOR APD30
104 pages
Print Icon
To Next Page IconTo Next Page
To Next Page IconTo Next Page
To Previous Page IconTo Previous Page
To Previous Page IconTo Previous Page
Loading...
- 9 -
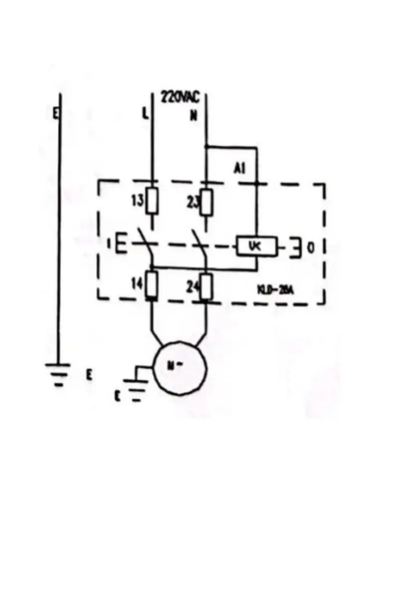
6.Electrical diagram
KLD:Switch M:Motor
FA: Thermo-protection of the engine

Related product manuals