EasyManua.ls Logo

Viessmann Divicon Series - Mixer Extension Kit: Detailed Wiring Diagram

Viessmann Divicon Series
36 pages
Print Icon
To Next Page IconTo Next Page
To Next Page IconTo Next Page
To Previous Page IconTo Previous Page
To Previous Page IconTo Previous Page
Loading...
30
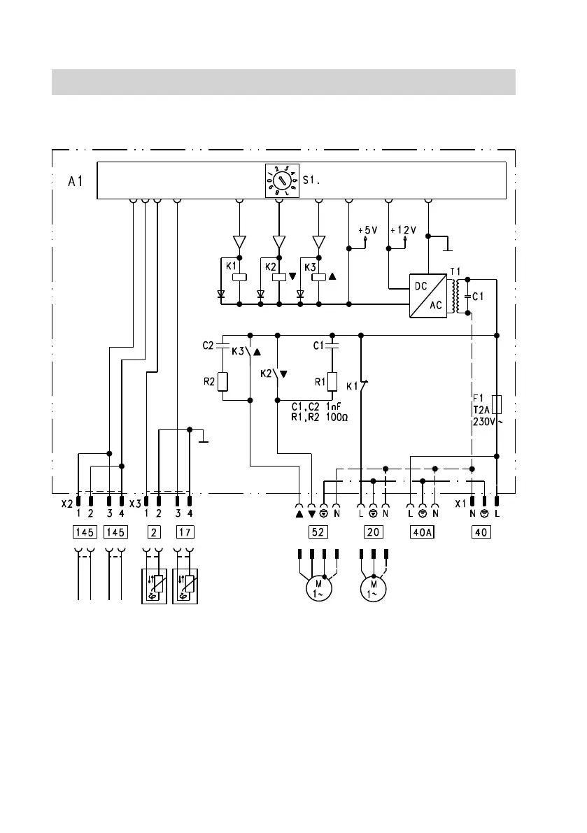
Connection and wiring diagram
A1 Main PCB
F1 Fuse
S1 Rotary selector
Plug 230 V~
Heating circuit pump
Power supply 230 V/50 Hz
A
Power supply connection of
accessories
gS
Mixer motor
Extension kit with mixer PCB
(cont.)
5443 825 GB

Related product manuals