EasyManua.ls Logo

Viessmann Vitoplus 300 - Page 99

Viessmann Vitoplus 300
120 pages
Print Icon
To Next Page IconTo Next Page
To Next Page IconTo Next Page
To Previous Page IconTo Previous Page
To Previous Page IconTo Previous Page
Loading...
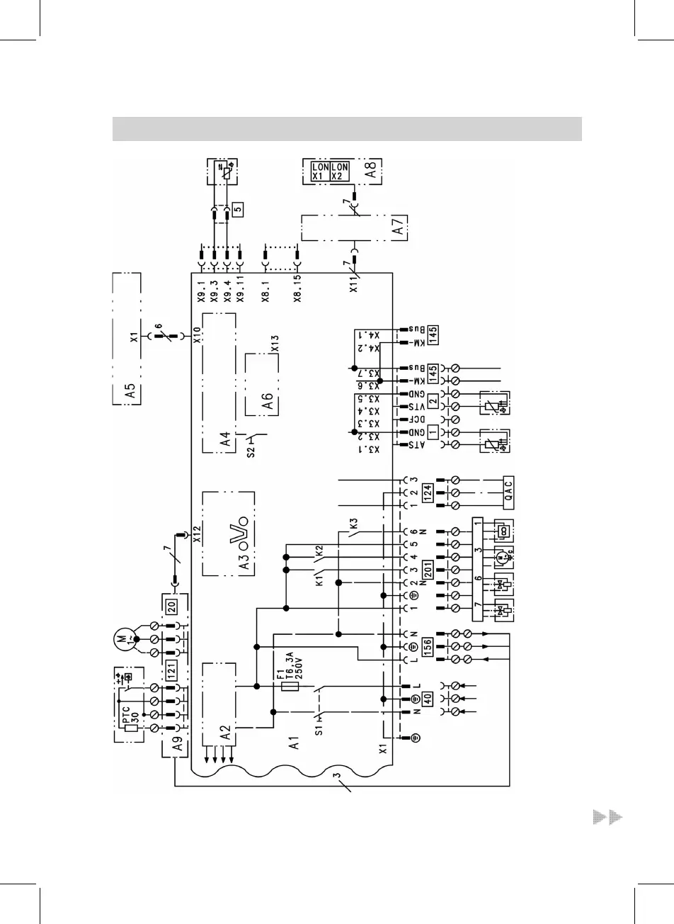
A1 Main PCB A2 Power supply unit
Connection and wiring diagrams external connections
99
Designs
5692 536 GB

Related product manuals