EasyManua.ls Logo

Viking VDSC367 - Side by Side Schematic

Viking VDSC367
54 pages
Print Icon
To Next Page IconTo Next Page
To Next Page IconTo Next Page
To Previous Page IconTo Previous Page
To Previous Page IconTo Previous Page
Loading...
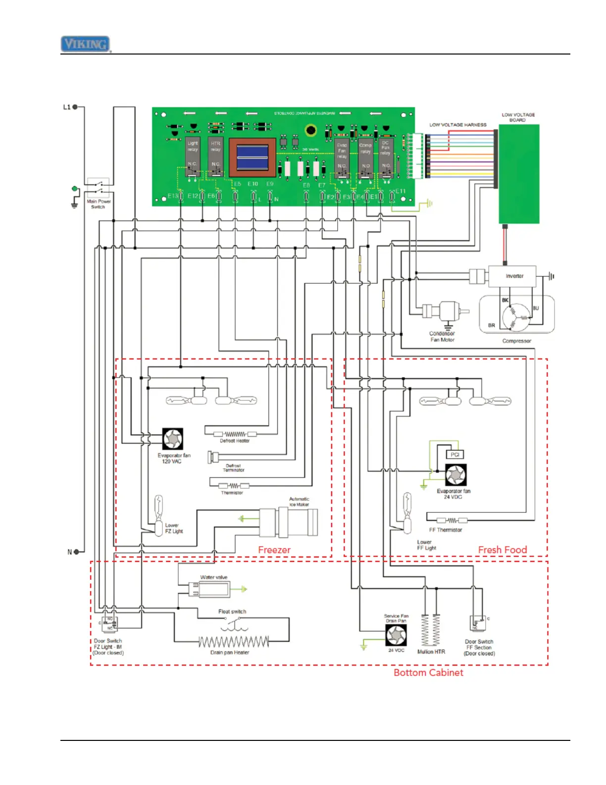
Wiring Diagrams
©2012 Viking Preferred Service 53
Side by Side schematic

Table of Contents

Related product manuals