EasyManua.ls Logo

Viking VDSC367 - Side by Side Wiring Diagram

Viking VDSC367
54 pages
Print Icon
To Previous Page IconTo Previous Page
To Previous Page IconTo Previous Page
Loading...
Wiring Diagrams
54 ©2012 Viking Preferred Service
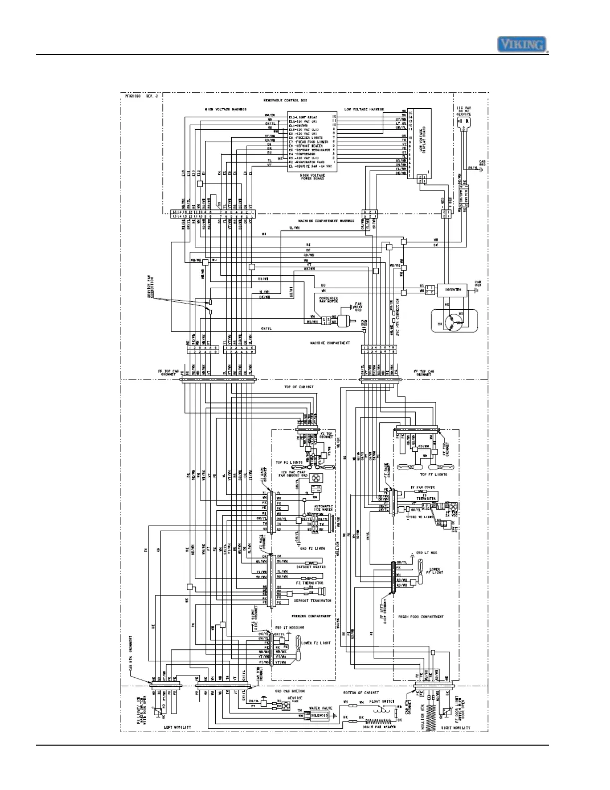
Side by Side Wiring Diagram

Table of Contents

Related product manuals