EasyManua.ls Logo

VINCENT PHO-300 - Page 32

VINCENT PHO-300
Print Icon
To Next Page IconTo Next Page
To Next Page IconTo Next Page
To Previous Page IconTo Previous Page
To Previous Page IconTo Previous Page
Loading...
32
Vincent
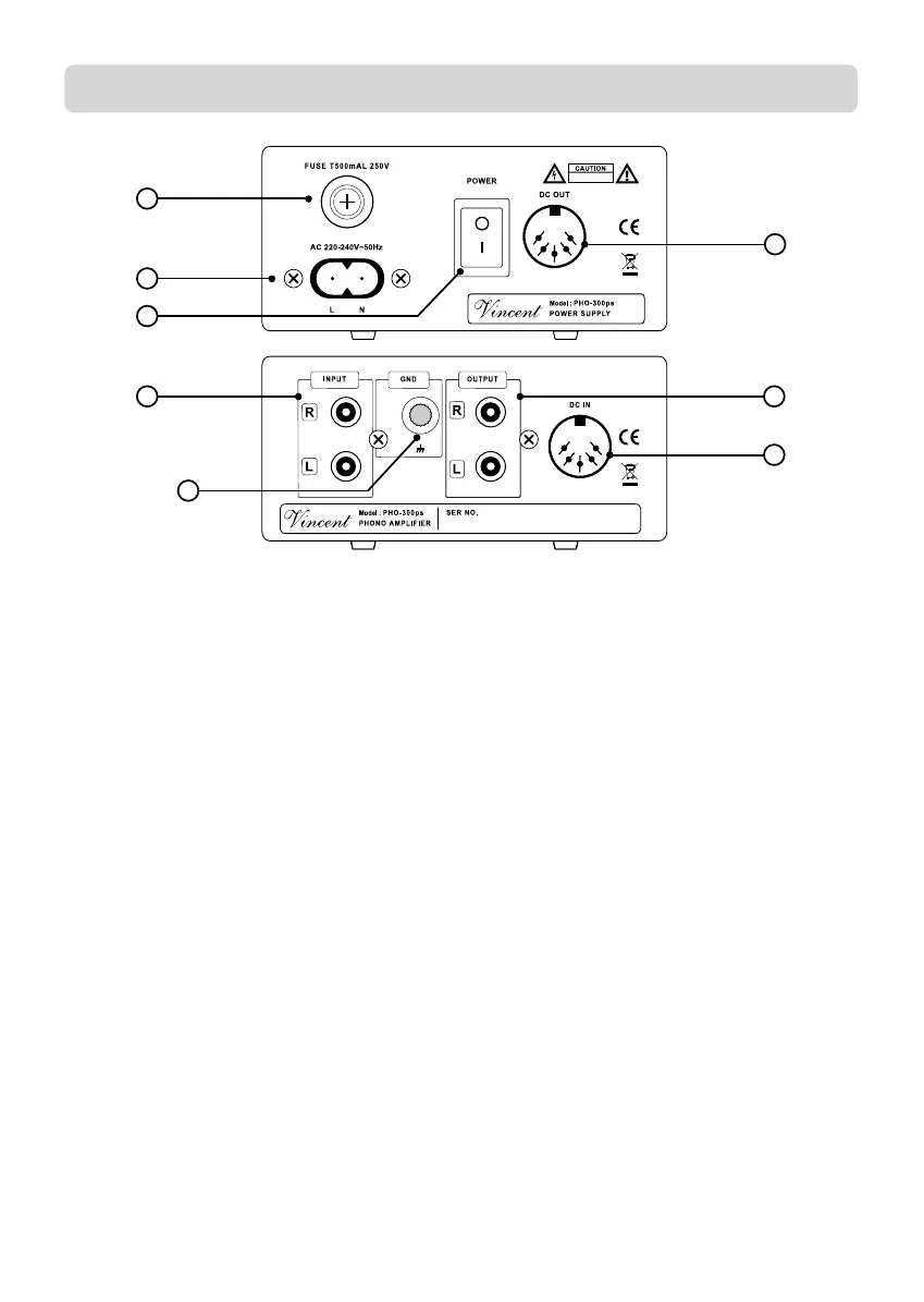
4.
L’ensemble-porteur
Le petit boîtier en plastique en dessous de la prise
secteur contient le fusible de l’appareil. Respectez
les consignes de sécurité à ce sujet.
5.
AC/FUSE : Prise secteur avec
porte-fusible
Raccordez ici le cordon secteur et branchez-le au
secteur.
6. POWER : Commutateur du secteur
Ce commutateur de secteur du PHO-300ps per-
met d’allumer et d’éteindre le préamplificateur
phono PHO-300. Faites-le toujours lorsque le pré-
amplificateur ou l’amplificateur sont éteints!
7. DC OUT : Sortie de l’alimentation
électrique pour le PHO-300
Connectez ce raccord via le câble fourni à l’en-
trée de l’alimentation électrique (11) du PHO-300.
8. INPUT : Entrée du signal de la
platine tourne-disque
La sortie audio de la platine tourne-disque (ou le
câble de signalisation solidement fixé sur la plati-
ne tourne-disque) doit être connectée à l’entrée
audio RCA.
9. GND : Pince de masse pour la platine
tourne-disque
La plupart des platines-tourne disques sont dotées
d’un câble de masse, lequel câble est reconnu
par la cosse terminale qui se trouve à son extré-
mité et qui est posé sur cette pince de masse.
10. OUTPUT : Sortie du signal pour le raccord
d’un amplificateur ou d’un préamplifi -
cateur
L’entrée audio de l’amplificateur/du préamplifica-
teur de votre système HiFi doit être connecté à
cette sortie audio RCA.
11.
DC IN : Alimentation électrique
du PHO-300
Fixez le câble de connexion fourni de l’adapta-
teur du secteur PHO-300ps (7) sur cette entrée.
FACADE ARRIERE
5
8
9
7
1
0
1
1
6
4
BDA - PHO-300_17.qxp_Bedienungsanleitung 13.11.19 14:55 Seite 32

Related product manuals