EasyManua.ls Logo

Volvo Penta D3 - Page 89

Volvo Penta D3
142 pages
Print Icon
To Next Page IconTo Next Page
To Next Page IconTo Next Page
To Previous Page IconTo Previous Page
To Previous Page IconTo Previous Page
Loading...
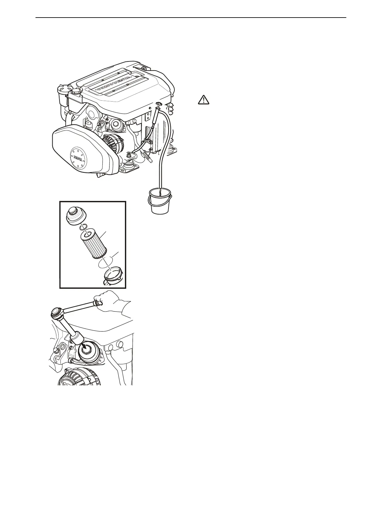
Engine oil and engine oil filter,
changing
Always follow the recommended oil change interval.
Use only oils of the recommended grades; refer to
Technical Data page 131.
Change the oil filters at every oil change.
WARNING!
Hot oil and hot surfaces can cause burns.
1 Idle the engine for around 20 minutes so that the oil
is easier to pump out.
Stop the engine. Undo the oil filter cover a couple
of turns so that its bottom valve opens and oil runs
down into the sump.
Wait 20 minutes.
2 Insert the oil drain pump into the oil dipstick tube
and pump out the oil.
3 Put a newspaper or similar over the alternator to
protect it from oil spillage.
4 Change the filter insert (1).
Install a new O-ring (2), tighten the cover by hand
(25 Nm) using a wrench, size 36.
Remove the newspaper protecting the alternator.
5 Fill with oil to the correct level through the oil filler
on top or to the side (accessory) of the engine. For
oil quantity, refer to section Technical
Data page 131.
6 Start the engine. Run the engine until it reaches
operating temperature..
Check that the low oil pressure lamp goes out and
that there are no oil leaks around the filter
7 Turn off the engine. Wait 20 minutes before check-
ing the oil level. Top up as necessary.
8 Carry out a further oil level check the following day
when the engine is cold.
Hand in the old oil and oil filter to a re-cycling sta-
tion.
1
2
P0009043
Maintenance
47705992 05-2015 © AB VOLVO PENTA 87

Related product manuals