EasyManua.ls Logo

Volvo Penta TAMD - Page 132

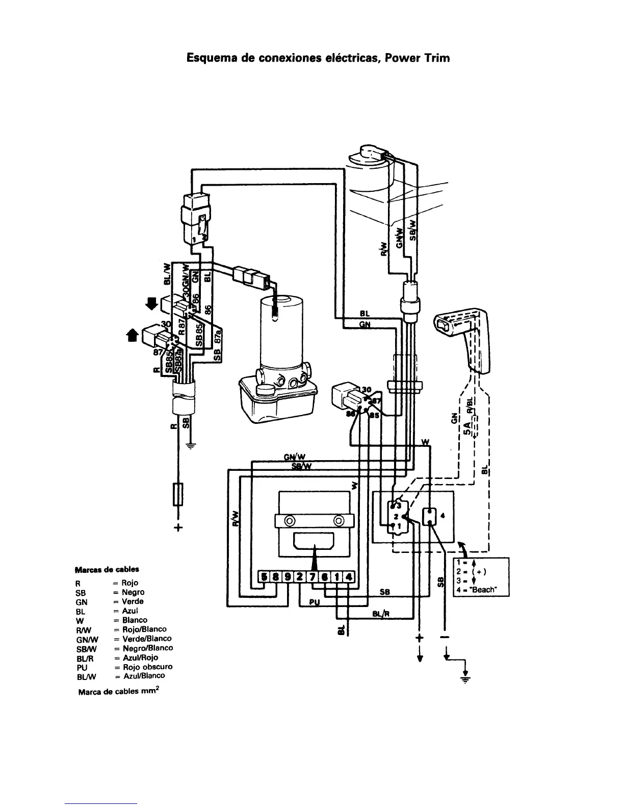
Volvo Penta TAMD
238 pages
Print Icon
To Next Page IconTo Next Page
To Next Page IconTo Next Page
To Previous Page IconTo Previous Page
To Previous Page IconTo Previous Page
Loading...
30
7733166 - Descargar de www.volvopenta.com 11/10/2006 12:51:37

Table of Contents

Related product manuals