EasyManua.ls Logo

Volvo Penta TAMD162C - Main Instrument Panel Wiring; Main Panel Wiring Details; Key Switch Wiring

Volvo Penta TAMD162C
84 pages
Print Icon
To Next Page IconTo Next Page
To Next Page IconTo Next Page
To Previous Page IconTo Previous Page
To Previous Page IconTo Previous Page
Loading...
64
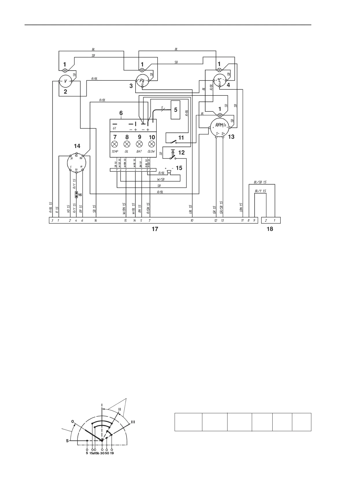
Instrument panel, (Main panel)
Cable color
BL = Blue
R = Red
LBL = Light-blue
SB = Black
BN = Brown
LBN = Light-brown
GN = Green
VO = Violet
GR = Gray
W = White
OR = Orange
Y = Yellow
PU = Purple
Conversions mm
2
/AWG*
*American Wiring Gauge
mm
2
1.0 1.5 2.5 10 16
AWG 16 (17) 15 (16) 13 7 5
1. Instrument panel lighting
2. Voltmeter
3. Oil pressure gauge
4. Engine coolant termperature (ECT) gauge
5. Connector for connecting extra warning display
(accessory)
6. Control module (alarm)
7. Warning light, engine coolant termp. (ECT)
8. Warning light, oil pressure
9. Warning light, charge
10. Control lamp (not used)
11. Instrument lighting switch
12. Alarm test/acknowledgement switch
13. Tachometer with built-in hours run meter
14. Key switch
15. Alarm
16. Connector for connecting neutral
position switch (accessory)
17. 16-pin connection
18. 2-pin connector (for supplementary panel)
Key switch
Spring loaded
Spring loaded

Related product manuals