EasyManua.ls Logo

Volvo Penta TAMD162C - TAMD162 C Engine Wiring; TAMD162 C Wiring Details

Volvo Penta TAMD162C
84 pages
Print Icon
To Next Page IconTo Next Page
To Next Page IconTo Next Page
To Previous Page IconTo Previous Page
To Previous Page IconTo Previous Page
Loading...
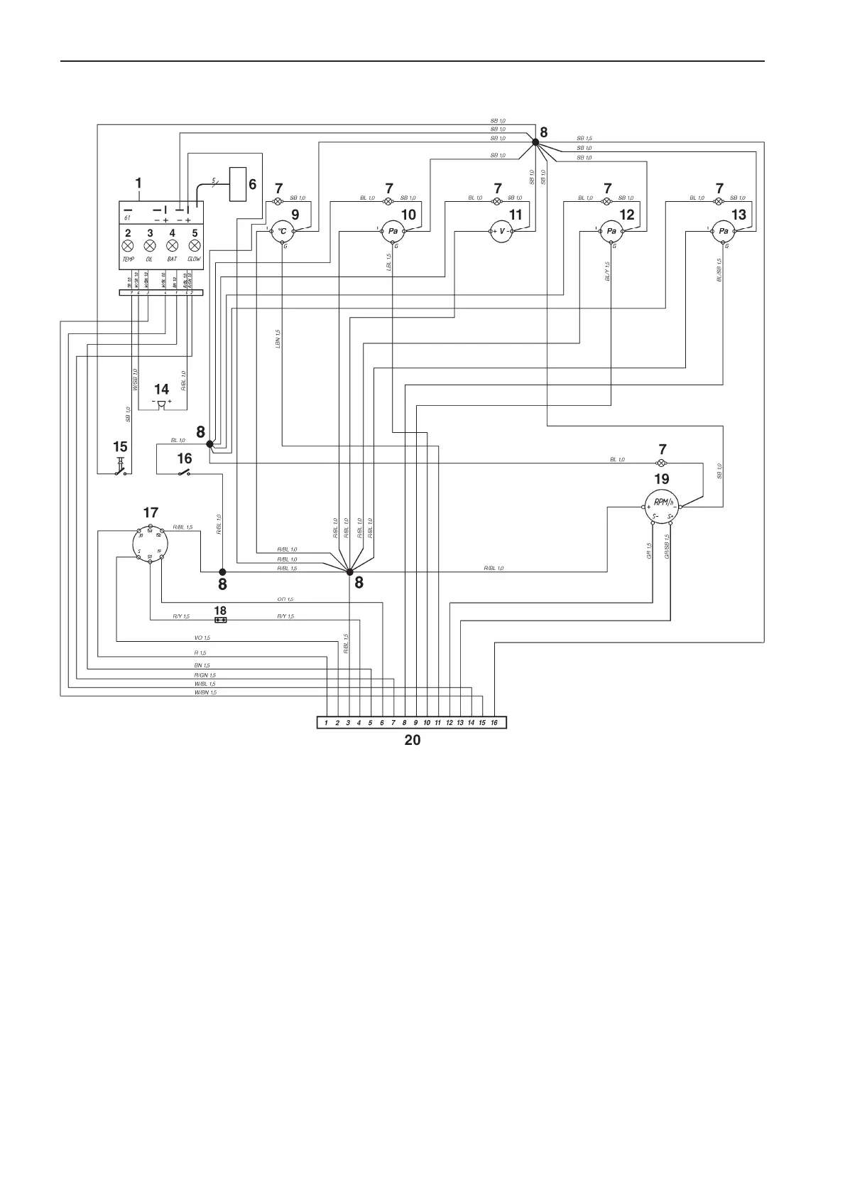
66
Instrument kit for pilot house
1. Control module (alarm)
2. Warning light, coolant temperature
3. Warning light, oil pressure
4. Warning light, charging
5. Control lamp (not used)
6. Connector for connecting extra
warning display (accessory)
7. Instrument panel lighting
8. Connector (cannot be opened)
9. Engine coolant termperature (ECT) gauge
10. Oil pressure gauge
11. Voltmeter
12. Turbo charging pressure gauge
13. Oil pressure gauge, reverse gear
14. Alarm
15. Alarm test/acknowledgement switch
16. Instrument lighting switch
17. Key switch
18. Connector for connecting neutral
position switch (accessory)
19. Tachometer with built-in hours run meter
20. 16-pin connection
Cable color
BL = Blue
LBL = Light-blue
BN = Brown
LBN = Light-brown
GN = Green
GR = Gray
OR = Orange
R = Red
SB = Black
VO = Violet
W = White
Y = Yellow
Cable areas in mm
2
are noted after the color codes
in the wiring diagrams.

Related product manuals