EasyManua.ls Logo

Volvo Penta TAMD162C - Troubleshooting Engine Issues; Engine Runs Unevenly; High Coolant Temperature

Volvo Penta TAMD162C
84 pages
Print Icon
To Next Page IconTo Next Page
To Next Page IconTo Next Page
To Previous Page IconTo Previous Page
To Previous Page IconTo Previous Page
Loading...
69
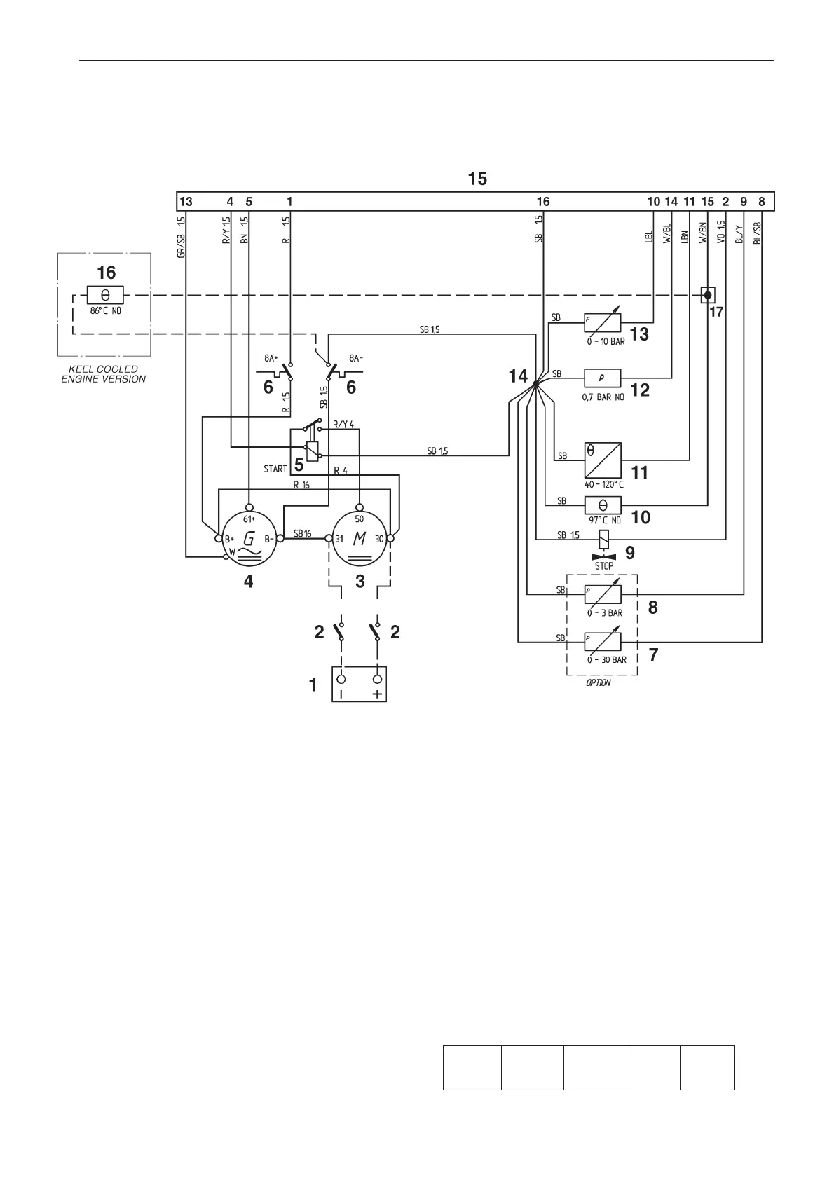
TAMD162C*, TAMD163A, engine (non-classifiable engine specification)
TAMD163P, engine
* Applies as of engine No. 1101052587/xxxx.
1. Battery
2. Main switch
3. Starter motor
4. Generator (GEN)
5. Starter relay*
6. Semi-automatic fuses (8A)*
7. Oil pressure sender, reverse gear (accessory)
8. Turbo pressure sender (accessory)
9. Solenoid valve (fuel shut-off valve)
10. Engine coolant temperature (ECT) switch (97°C/207°F),
(normally open – closes if fault occurs)
11. Engine coolant temperature (ECT) sender (40 – 120°C/
104–248°F)
12. Oil pressure switch, engine
13. Oil pressure sender, engine
14. Joint
15. Connector, 16-pin*
16. TAMD163A (keel cooled engine version): Temperature
switch, charge air temperature (86°C/187°F), (normally
open – closes if fault occurs)
17. Connector
* Located in terminal box.
Cable color
BL = Blue R = Red
LBL = Light-blue SB = Black
BN = Brown VO = Violet
LBN = Light-brown W = White
GR = Gray Y = Yellow
Cable areas in mm
2
are noted after the color codes
in the wiring diagrams.
If no cable area is stated the default is 1.0 mm
2
Conversions mm
2
/AWG*
* American Wiring Gauge
mm
2
0.75 1.5 4 16
AWG 18 15 (16) 11 5

Related product manuals