EasyManua.ls Logo

W'eau WMP-003 - Elektrische Bedrading

W'eau WMP-003
32 pages
Print Icon
To Next Page IconTo Next Page
To Next Page IconTo Next Page
To Previous Page IconTo Previous Page
To Previous Page IconTo Previous Page
Loading...
- 21 -
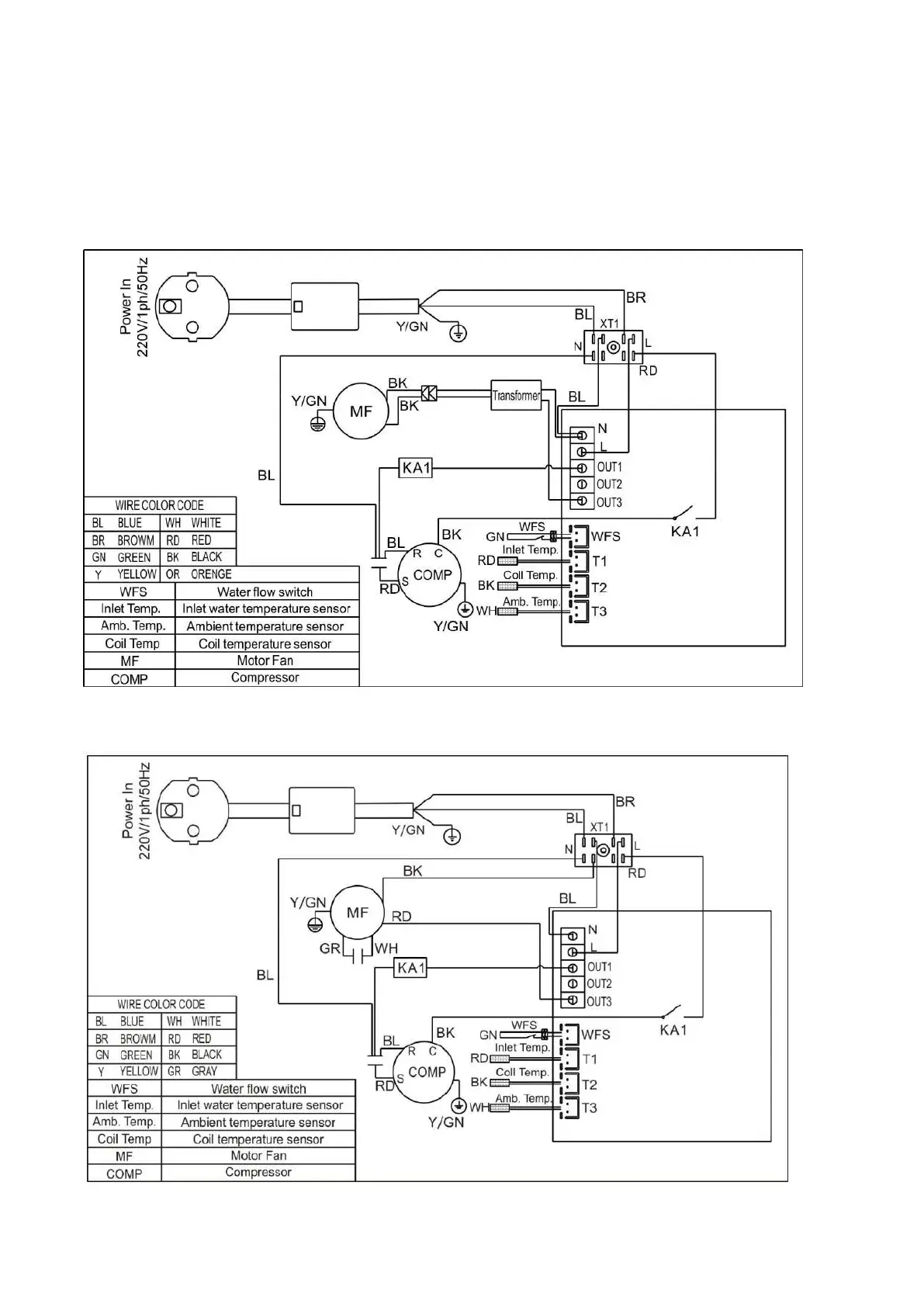
4.Elektrische bedrading
4.1 Bedradingsschema
WMP-003/004
WMP-005

Related product manuals