EasyManua.ls Logo

W'eau WMP-003 - Electrical Wiring; Wiring Diagram

W'eau WMP-003
32 pages
Print Icon
To Next Page IconTo Next Page
To Next Page IconTo Next Page
To Previous Page IconTo Previous Page
To Previous Page IconTo Previous Page
Loading...
- 7 -
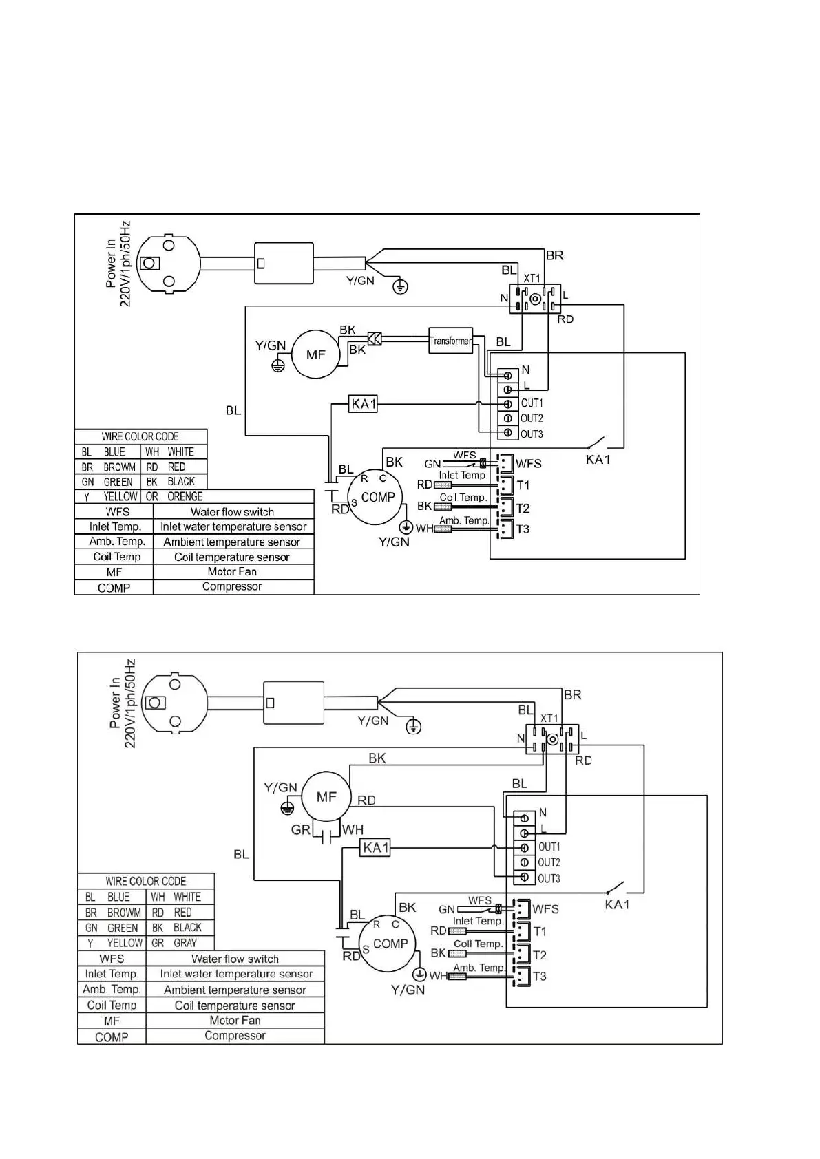
4.Electrical wiring
4.1 Swimming pool heat pump wiring diagram
WMP-003/004
WMP-005

Related product manuals