EasyManua.ls Logo

WABCO 2S/2M - Page 20

WABCO 2S/2M
40 pages
Print Icon
To Next Page IconTo Next Page
To Next Page IconTo Next Page
To Previous Page IconTo Previous Page
To Previous Page IconTo Previous Page
Loading...
20
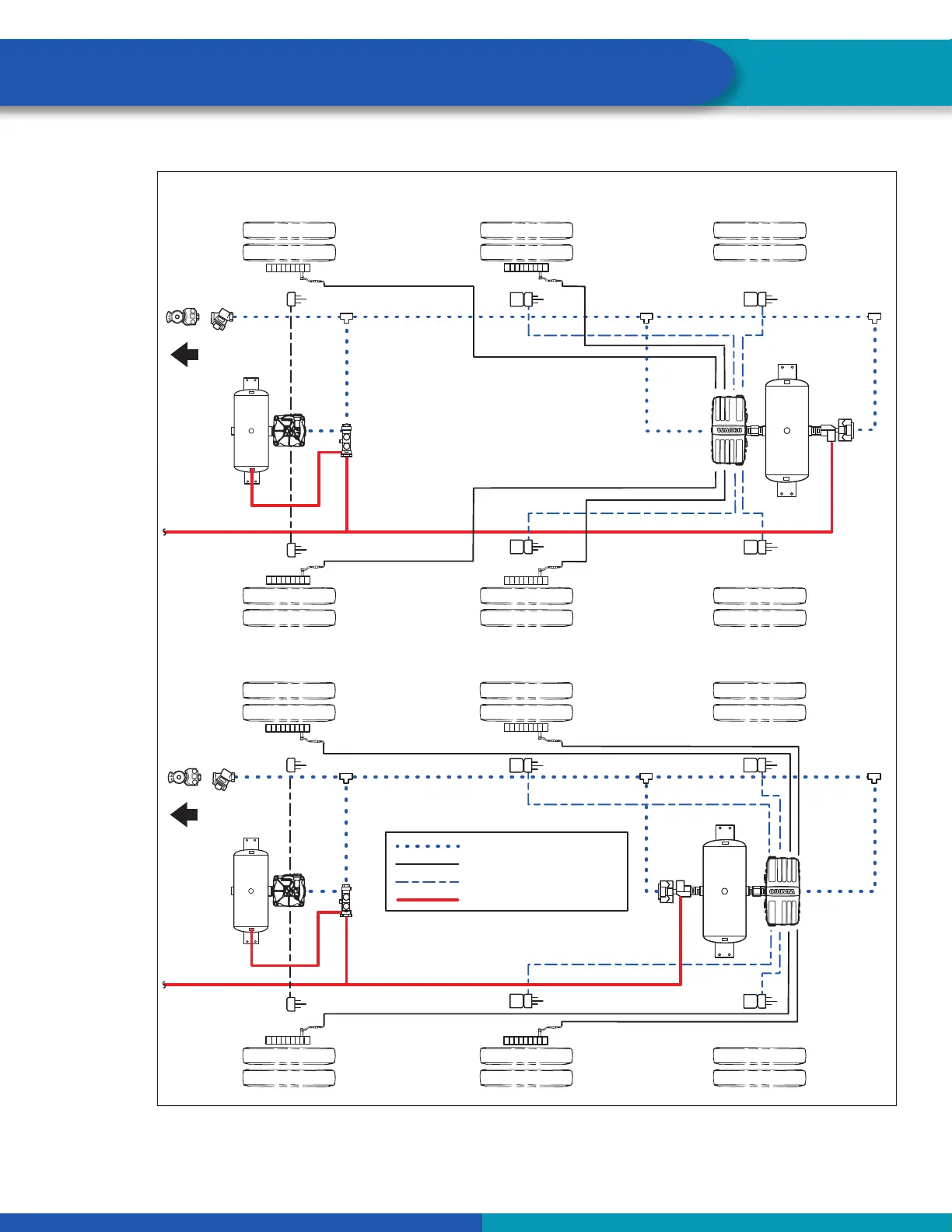
Installation
Fig. 16
P
O
W
ER SU
P
P
LY
A
BS
SE
N
SO
R
F
A
BS
SE
N
SO
R
D
G
I
O
1
SU
BSY
ST
EM/
D
I
AG
N
O
ST
I
C
3r
d M
O
D
U
LATO
R
/
G
IO
2
A
BS
SE
N
SO
R
E
A
BS
SEN
SO
R
C
P
O
WE
R
SUP
P
LY
A
BS SEN
SO
R
F
A
BS SENSO
R
D
GI
O
1
SUBS
YSTE
M
/
D
I
A
G
N
O
S
T
I
C
3r
d
M
OD
ULA
TOR/GI
O
2
A
BS
S
E
N
SOR
E
A
BS SEN
SOR C
F
E
D
C
4S/3M TYPICAL TRI-AXLE WITH FRONT LIFT — VALVE MOUNTED
WITH CONTROL PORT FACING FRONT OF TRAILER
FRONT OF
TRAILER
4S/3M TYPICAL TRI-AXLE WITH FRONT LIFT — VALVE MOUNTED
WITH CONTROL PORT FACING REAR OF TRAILER
E
F
C
D
FRONT OF
TRAILER
NOTE: Spring brake
lines not shown.
SERVICE/CONTROL LINES
SENSOR CABLES
SERVICE BRAKE
SUPPLY AIR
NOTE: Spring brake
lines not shown.
4013992a

Related product manuals