EasyManua.ls Logo

WABCO 2S/2M - Page 21

WABCO 2S/2M
40 pages
Print Icon
To Next Page IconTo Next Page
To Next Page IconTo Next Page
To Previous Page IconTo Previous Page
To Previous Page IconTo Previous Page
Loading...
21
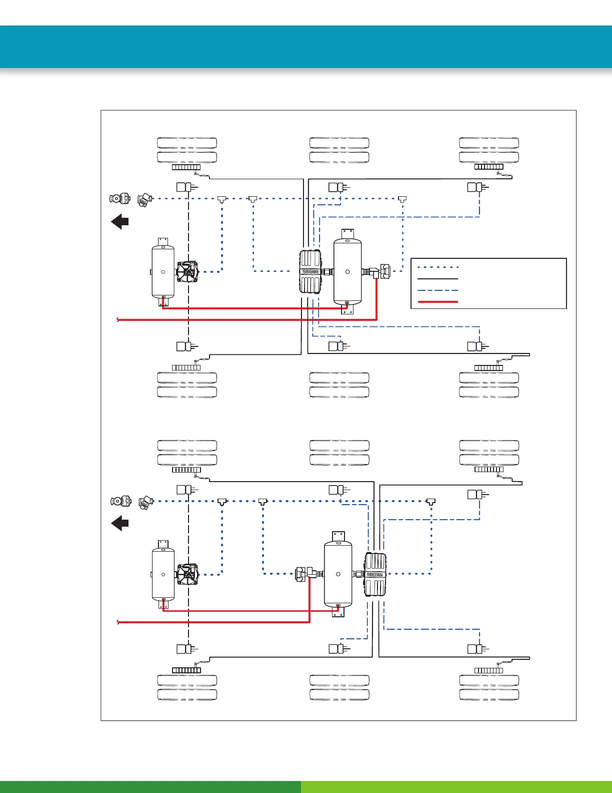
Installation
Fig. 17
Typical Tandem
Axle Trailer
F
E
D
C
4S/3M TYPICAL TRI-AXLE — VALVE MOUNTED WITH CONTROL PORT FACING FRONT OF TRAILER
FRONT OF
TRAILER
Typical Tandem
Axle Trailer
E
F
C
D
4S/3M TYPICAL TRI-AXLE — VALVE MOUNTED WITH CONTROL PORT FACING REAR OF TRAILER
FRONT OF
TRAILER
P
O
WER
S
U
P
P
LY
ABS SENSOR F
ABS SENSOR D
GI
O 1
SUBSYSTE
M/
DIA
GNOST
IC
3rd MODU
LATO
R/
G
IO
2
ABS SENSOR E
ABS SEN
S
O
R
C
P
O
WE
R
SUP
P
LY
A
BS SEN
SO
R
F
A
BS SEN
SO
R
D
G
I
O
1
SUBS
Y
S
T
E
M
/
D
I
A
G
N
O
S
T
I
C
3r
d
M
OD
ULA
TOR/GI
O
2
A
BS
S
E
NSO
R E
A
BS SEN
SOR C
NOTE: Spring brake
lines not shown.
SERVICE/CONTROL LINES
SENSOR CABLES
SERVICE BRAKE
SUPPLY AIR
NOTE: Spring brake
lines not shown.
4013993a

Related product manuals