EasyManua.ls Logo

WABCO 2S/2M - Page 22

WABCO 2S/2M
40 pages
Print Icon
To Next Page IconTo Next Page
To Next Page IconTo Next Page
To Previous Page IconTo Previous Page
To Previous Page IconTo Previous Page
Loading...
22
Installation
Fig. 18
PO
WER
S
UPPL
Y
A
B
S
S
ENS
OR
F
A
B
S
S
ENS
OR
D
GI
O
1
S
UB
SYS
TEM/
D
I
AGNO
S
TI
C
3
r
d
M
O
DU
L
AT
O
R
/
G
I
O
2
A
B
S
S
ENS
OR
E
A
B
S
S
ENS
OR
C
P
O
W
E
R
SUPP
LY
A
BS SENSO
R
F
A
BS SEN
SO
R
D
G
I
O
1
SUBS
Y
S
T
E
M
/
D
I
A
GN
O
S
T
I
C
3r
d
M
OD
ULA
TOR/GI
O
2
A
BS
S
E
NSOR
E
A
BS SENSOR
C
E
F
C
D
F
E
D
C
FRONT OF
TRAILER
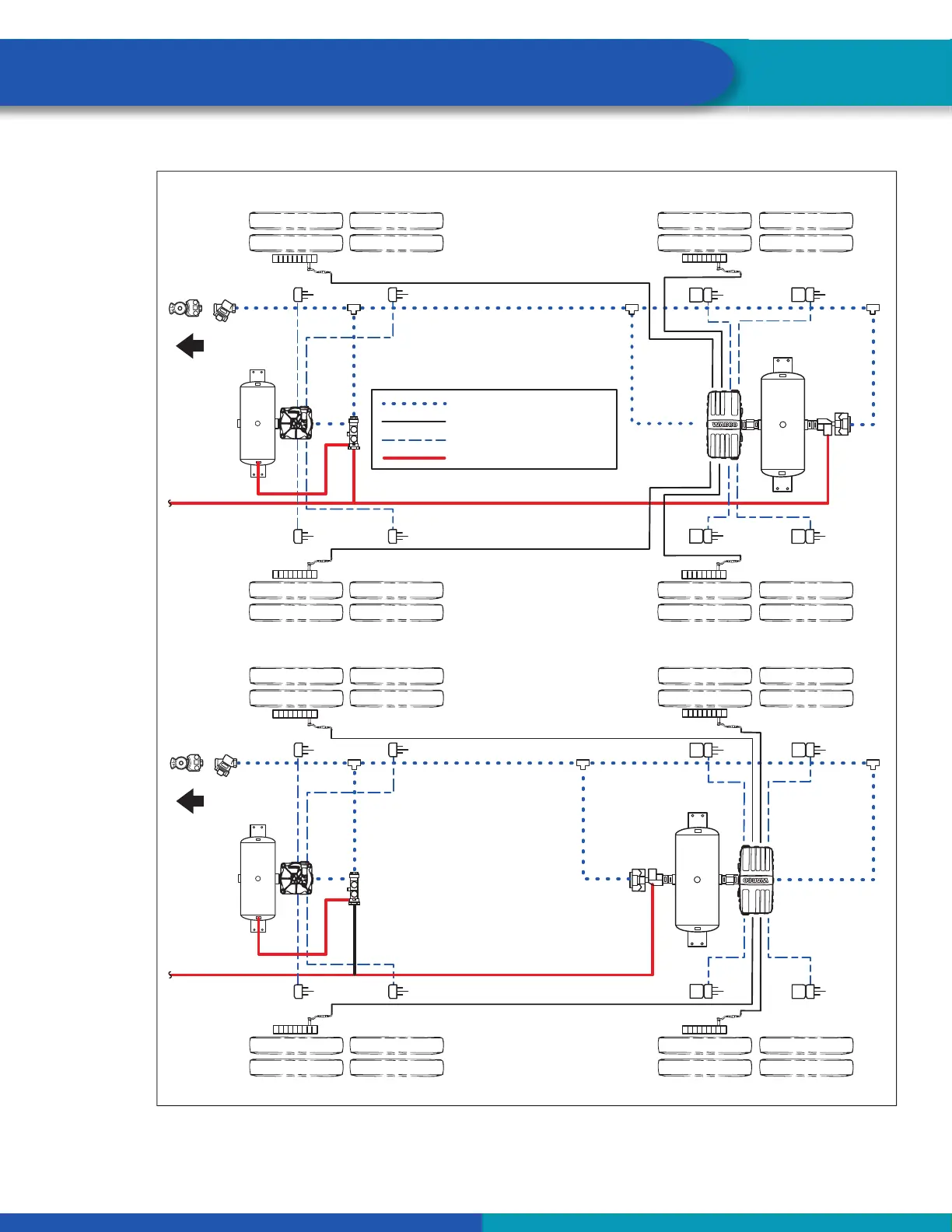
4S/3M TYPICAL FOUR AXLE PULL TRAILER — VALVE MOUNTED
WITH CONTROL PORT FACING FRONT OF TRAILER
4S/3M TYPICAL FOUR AXLE PULL TRAILER — VALVE MOUNTED
WITH CONTROL PORT FACING REAR OF TRAILER
FRONT OF
TRAILER
NOTE: Spring brake
lines not shown.
SERVICE/CONTROL LINES
SENSOR CABLES
SERVICE BRAKE
SUPPLY AIR
NOTE: Spring brake
lines not shown.
4013994a

Related product manuals