EasyManua.ls Logo

Wacker Neuson BPU 2950A

Wacker Neuson BPU 2950A
58 pages
To Next Page IconTo Next Page
To Next Page IconTo Next Page
To Previous Page IconTo Previous Page
To Previous Page IconTo Previous Page
Loading...
Repair Procedures BPU 2440/2950 Repair
wc_tx000329gb.fm 36
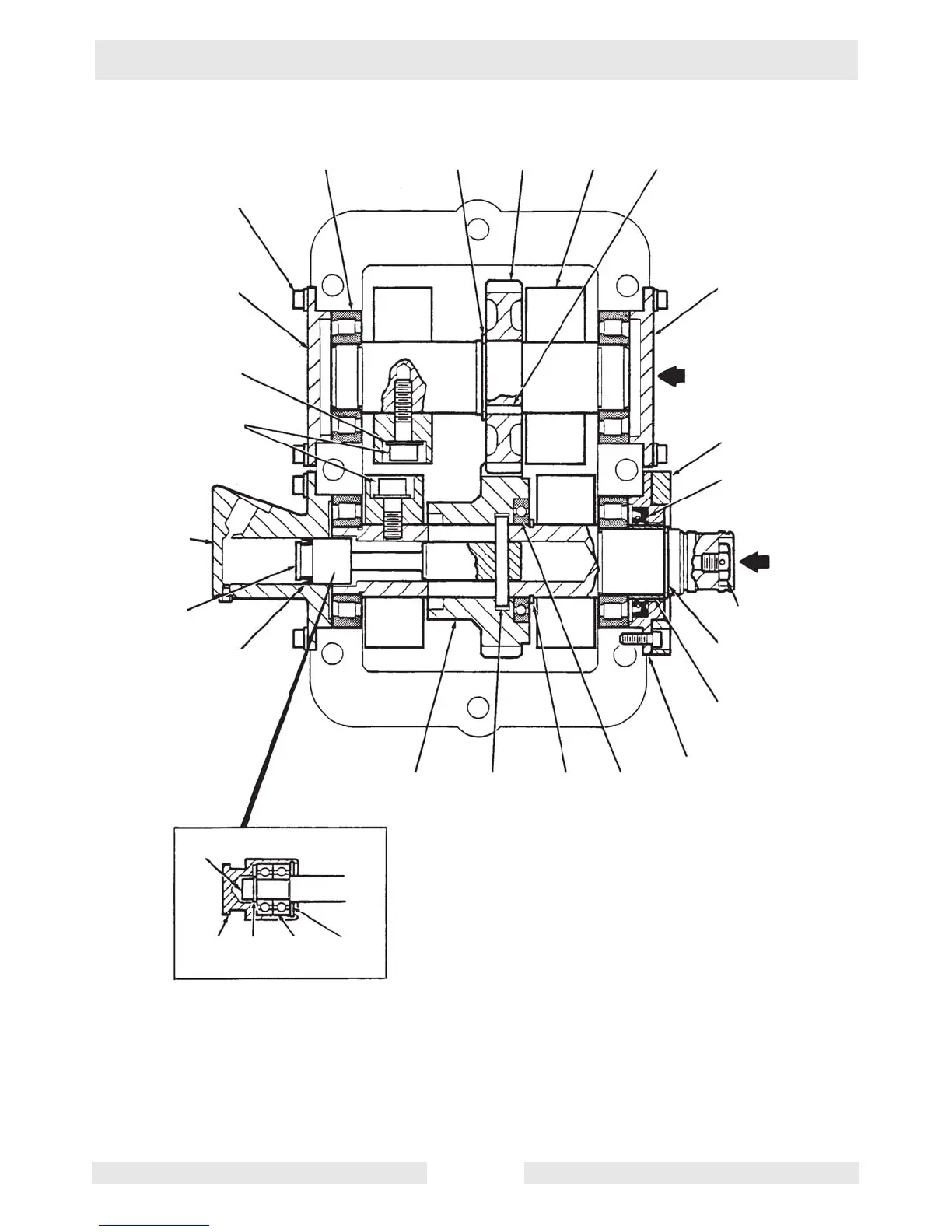
5.7 Exciter Assembly Cross Section
1
2
3
4
5
6
7
8
9
10
12a
12
13
11
14
15
27
23
26
25
24
16
5
2
17
18
19
20
21
22
wc_gr001442

Other manuals for Wacker Neuson BPU 2950A

Related product manuals