EasyManua.ls Logo

Wacker Neuson CT 36

Wacker Neuson CT 36
118 pages
To Next Page IconTo Next Page
To Next Page IconTo Next Page
To Previous Page IconTo Previous Page
To Previous Page IconTo Previous Page
Loading...
Drivetrain CT Repair
wc_tx000554gb.fm 92
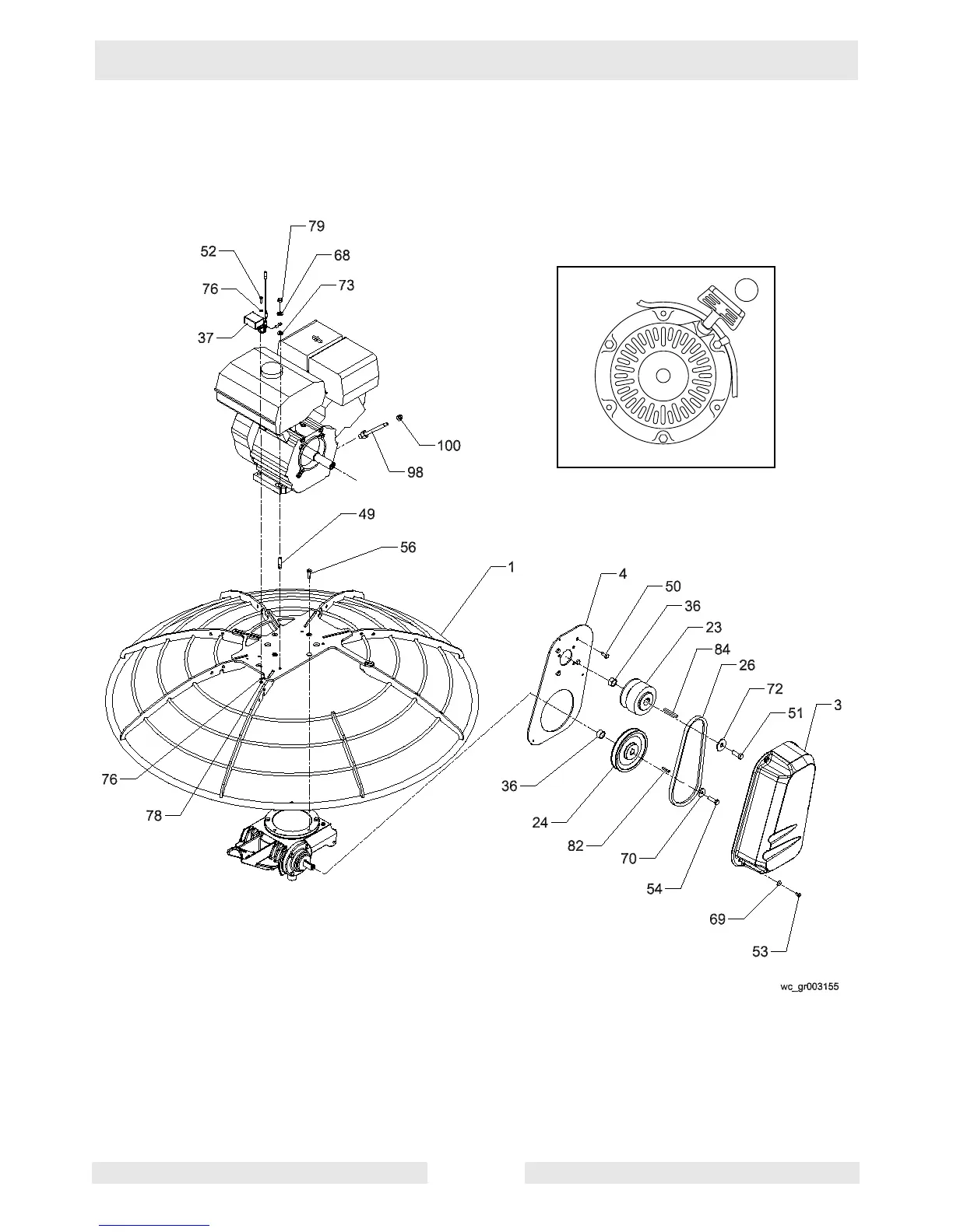
8. Drivetrain
8.1 Drivetrain—Exploded View
a

Table of Contents

Other manuals for Wacker Neuson CT 36

Related product manuals