EasyManua.ls Logo

Walther Systemtechnik WDV-01 - Dimensioned Drawing Dosing Valve Wdv-02

Walther Systemtechnik WDV-01
34 pages
Print Icon
To Next Page IconTo Next Page
To Next Page IconTo Next Page
To Previous Page IconTo Previous Page
To Previous Page IconTo Previous Page
Loading...
Rev. 1.2
Assembly Instructions Dosing Valves WDV-0x
Page 21 of 34
Walther Systemtechnik GmbH D 76726 Germersheim
Telefon: +49 (0)7274-7022-0 Telefax: +49 (0)7274-7022-91
http://www.walther-2000.de info@walther-2000.de
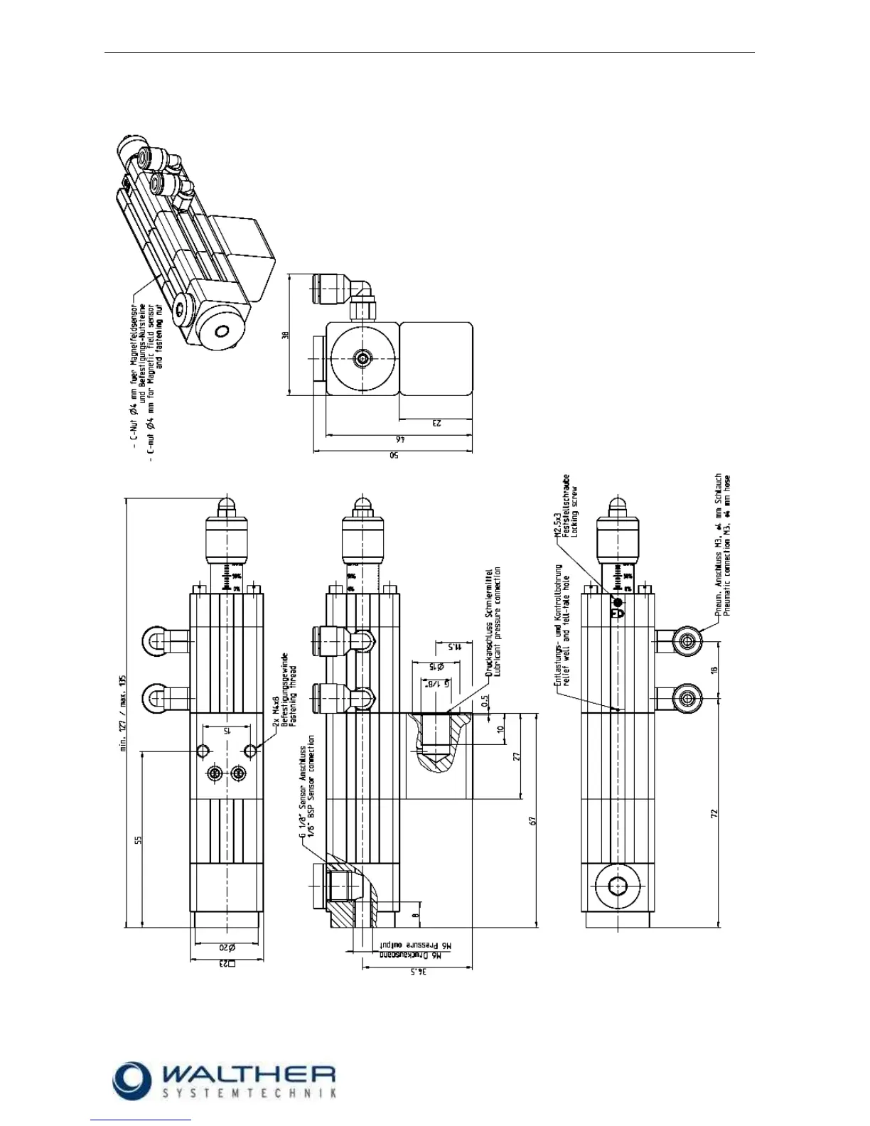
10.2 Dimensioned Drawing Dosing Valve WDV-02

Table of Contents

Related product manuals