EasyManua.ls Logo

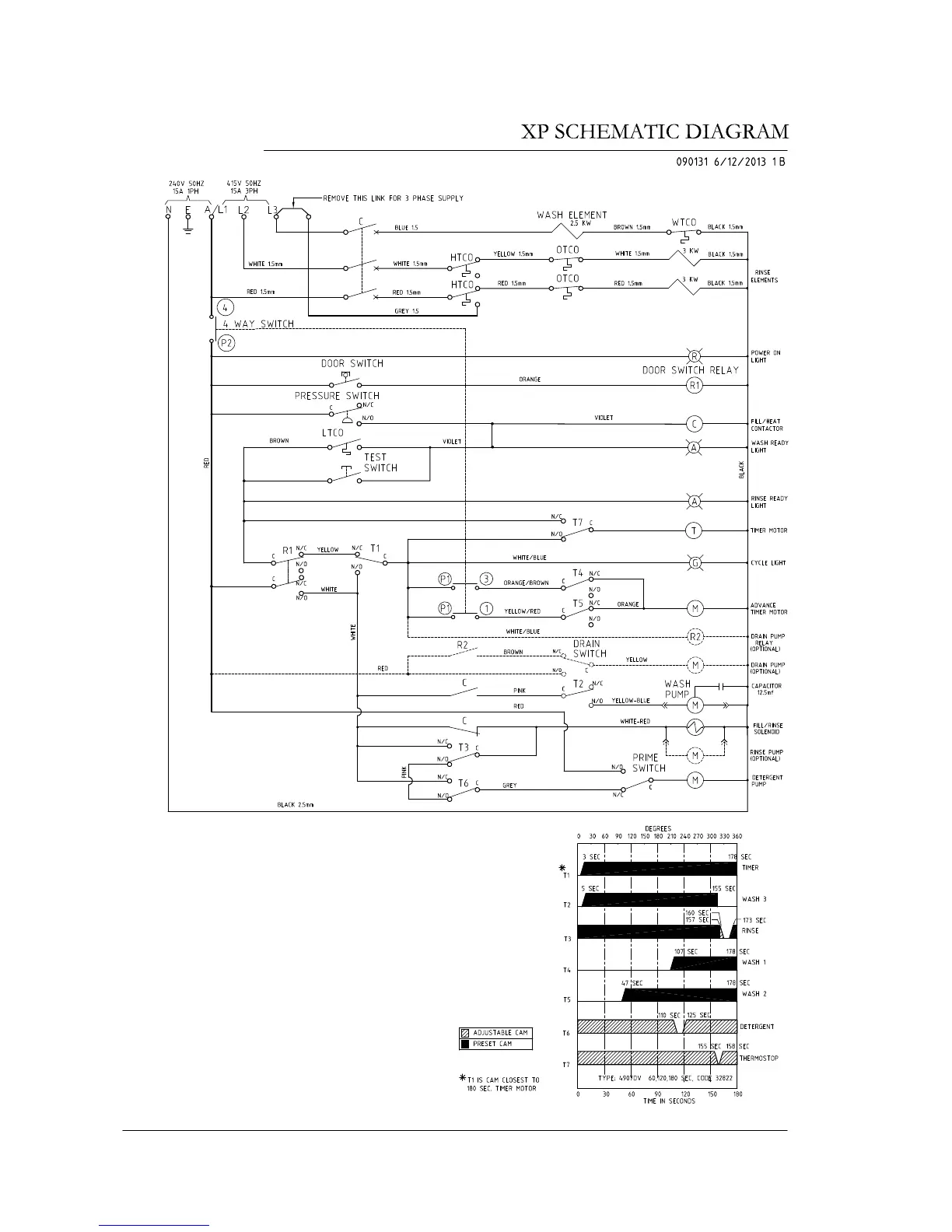
Washtech XP - XP SCHEMATIC DIAGRAM

Washtech XP
40 pages
Print Icon
To Next Page IconTo Next Page
To Next Page IconTo Next Page
To Previous Page IconTo Previous Page
To Previous Page IconTo Previous Page
Loading...
Service Manual XP-2
32
Revision 1C

Related product manuals