EasyManua.ls Logo

Wayne HS - Prepare Burner Components; Gun Assembly Removal Procedure; Nozzle Installation and Handling

Wayne HS
22 pages
Print Icon
To Next Page IconTo Next Page
To Next Page IconTo Next Page
To Previous Page IconTo Previous Page
To Previous Page IconTo Previous Page
Loading...
PREPARE BURNER
GUN ASSEMBLY REMOVAL
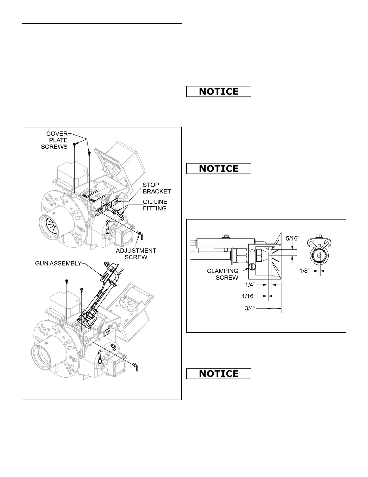
1. Remove the two cover plate screws holding the top
cover in place and swing the transformer/cover open.
2. Disconnect the oil line fitting.
3. Remove the adjustment screw securing the gun
assembly in the burner. DO NOT loosen or remove
the screw securing the stop bracket in position.
4. Gently lift up and pull back on the gun; do not force it.
It may be necessary to rotate the gun assembly 90° to
help with it’s removal.
NOZZLE INSTALLATION
To install a nozzle:
1. Remove the gun assembly and loosen the clamping
screw (See Figure 4) on the flame retention assembly
and slide the assembly off the adapter.
2. Inspect adapter face. Replace if nicked or scratched.
3. Install and tighten the nozzle in the adapter.
Do not touch the nozzle face or
hold the nozzle by its integral filter
as spray characteristics and flow may be affected. Be
careful not to damage the electrode insulators or bend the
electrodes.
4. Replace the flame retention assembly on the nozzle
adapter. Make sure the clamp is tight against the
shoulder on the adapter, and tighten the clamping
screw.
5. Check the electrode setting.
For information on selecting the
proper nozzle, see “Nozzle
Selection” on page 12.
CHECK AND ADJUST ELECTRODE SETTINGS
The electrodes must be precisely spaced from the face of
the nozzle as shown in the following figure:
Figure 4: Nozzle/Electrode Settings
1. To check the height of the electrodes and the distance
from the nozzle face the electrode tips, place the
gauge in the end of the burner nozzle as shown in
Figure 5.
In this orientation, the point at
which the ruled scale on the
side of the gauge (P/N: 14200-002) crosses the edge of
the air cone corresponds to the Flamelock™ setting.
4
Figure 3: Gun Assembly Removal

Related product manuals