EasyManua.ls Logo

Wayne HSG400 - HSG SERIES BURNER WITH WAYNE 64420-002 IGNITION CONTROL

Wayne HSG400
52 pages
Print Icon
To Next Page IconTo Next Page
To Next Page IconTo Next Page
To Previous Page IconTo Previous Page
To Previous Page IconTo Previous Page
Loading...
43
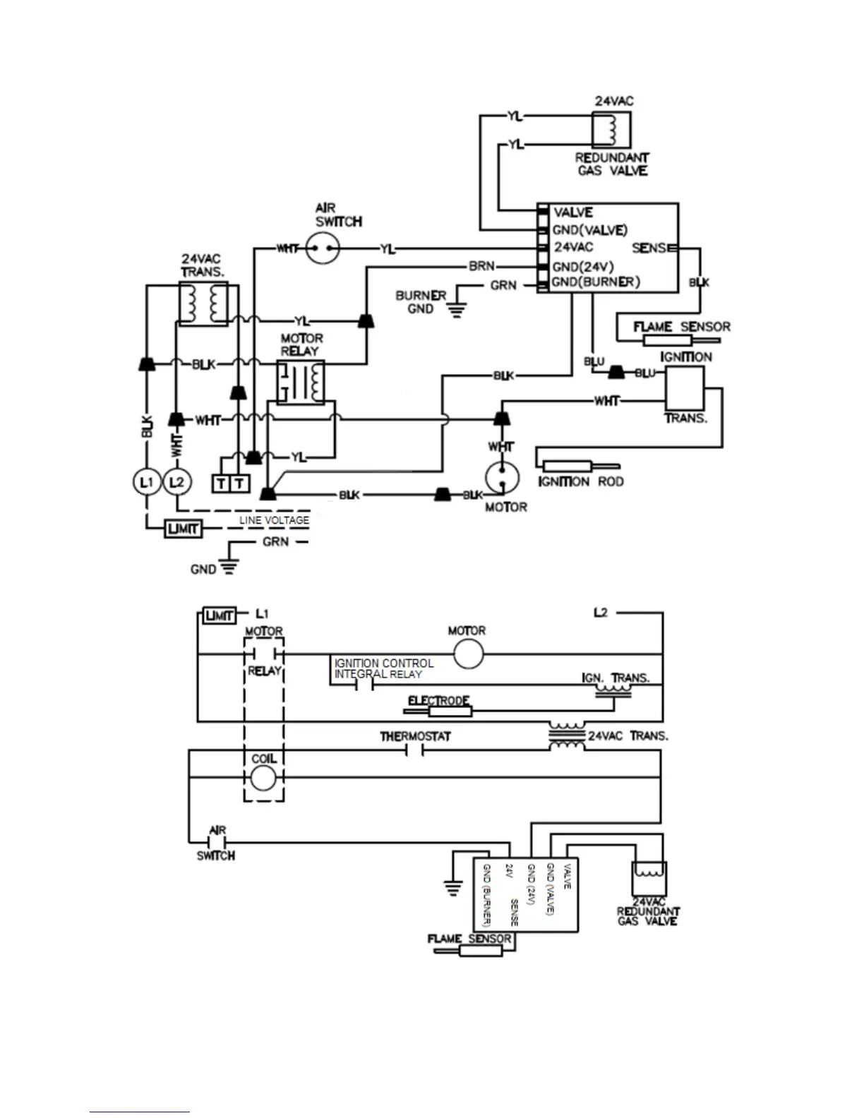
HSG SERIES BURNER WITH WAYNE 64420-002 IGNITION CONTROL
Figure 26: Wiring Diagram for Burners with Wayne 64420-002 Control

Other manuals for Wayne HSG400

Related product manuals