EasyManua.ls Logo

Wayne HSG400 - HSG SERIES BURNER WITH HONEYWELL S89 E GAS PRIMARY CONTROL

Wayne HSG400
52 pages
Print Icon
To Next Page IconTo Next Page
To Next Page IconTo Next Page
To Previous Page IconTo Previous Page
To Previous Page IconTo Previous Page
Loading...
44
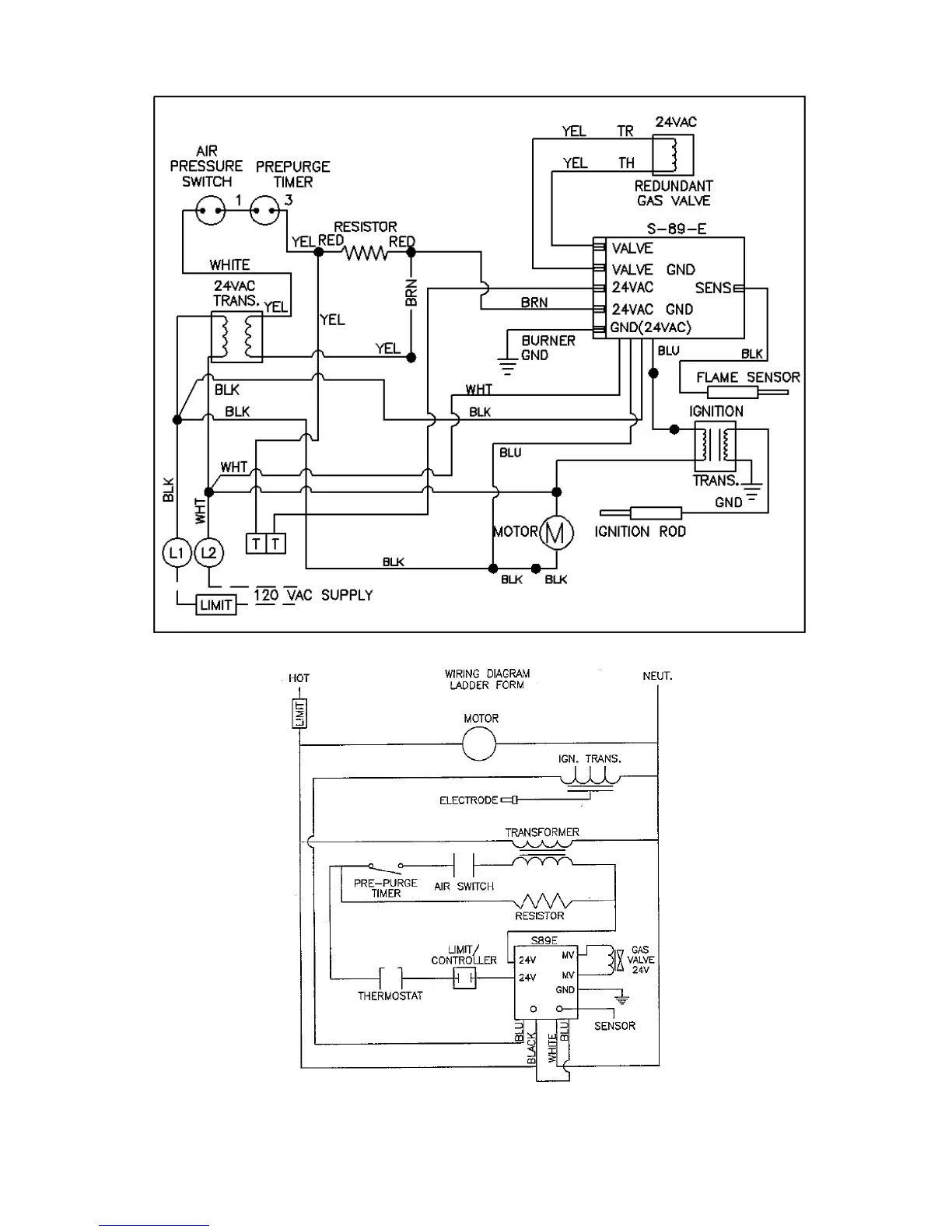
HSG SERIES BURNER WITH HONEYWELL S89E GAS PRIMARY CONTROL
Figure 27: Wiring Diagram for Burners with Honeywell S89E Control

Other manuals for Wayne HSG400

Related product manuals