EasyManua.ls Logo

wayscral E-Start - Page 164

wayscral E-Start
Print Icon
To Next Page IconTo Next Page
To Next Page IconTo Next Page
To Previous Page IconTo Previous Page
To Previous Page IconTo Previous Page
Loading...
163
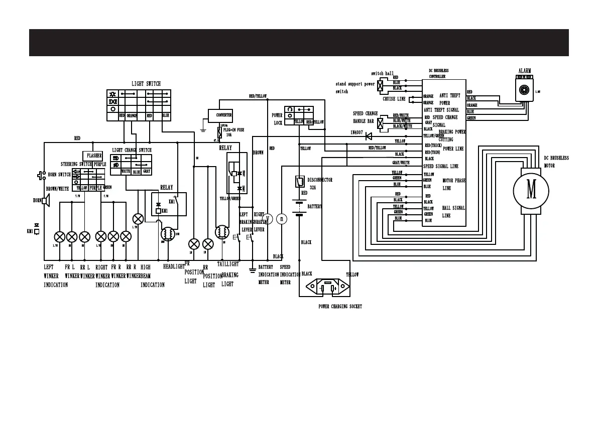
ESQUEMA ELÉCTRICO

Table of Contents

Related product manuals