EasyManua.ls Logo

wayscral E-Start - Esquema de Cablagem

wayscral E-Start
Print Icon
To Next Page IconTo Next Page
To Next Page IconTo Next Page
To Previous Page IconTo Previous Page
To Previous Page IconTo Previous Page
Loading...
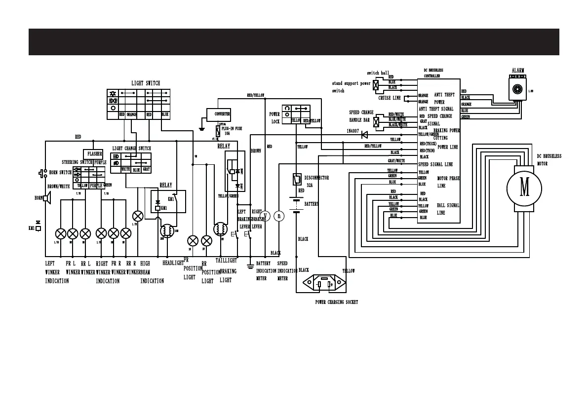
ESQUEMA DE CABLAGEM
245

Table of Contents

Related product manuals