EasyManua.ls Logo

wayscral E-Start - Wiring Diagram

wayscral E-Start
Print Icon
To Next Page IconTo Next Page
To Next Page IconTo Next Page
To Previous Page IconTo Previous Page
To Previous Page IconTo Previous Page
Loading...
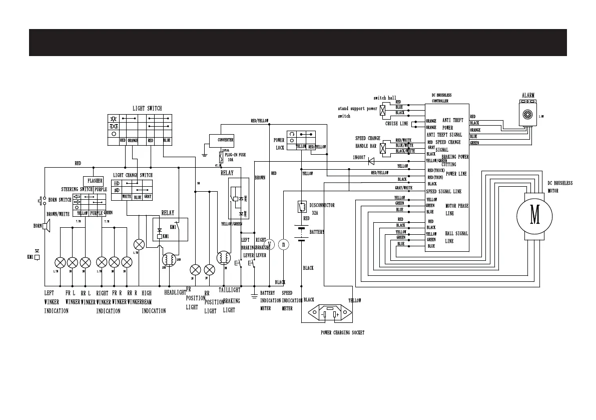
WIRING DIAGRAM
286

Table of Contents

Related product manuals