EasyManua.ls Logo

wayscral E-Start - Page 205

wayscral E-Start
Print Icon
To Next Page IconTo Next Page
To Next Page IconTo Next Page
To Previous Page IconTo Previous Page
To Previous Page IconTo Previous Page
Loading...
204
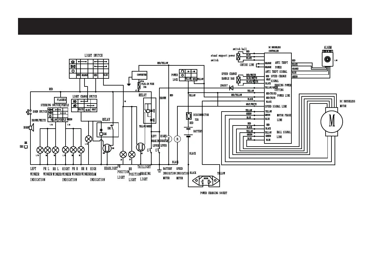
PIANO DI CABLAGGIO

Table of Contents

Related product manuals