EasyManua.ls Logo

wayscral E-Start - Page 82

wayscral E-Start
Print Icon
To Next Page IconTo Next Page
To Next Page IconTo Next Page
To Previous Page IconTo Previous Page
To Previous Page IconTo Previous Page
Loading...
81
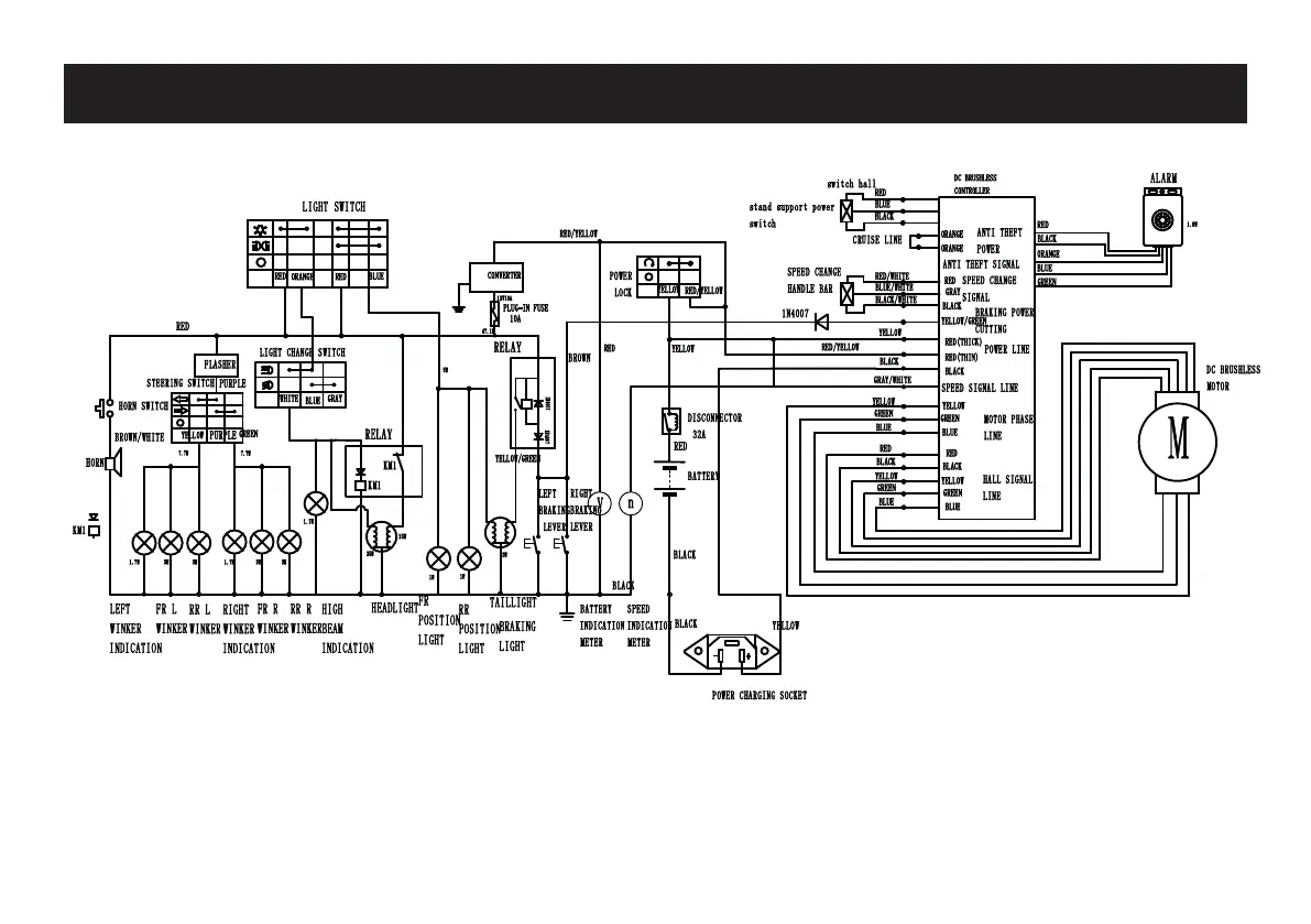
BEDRADINGSSCHEMA

Table of Contents

Related product manuals