EasyManua.ls Logo

Weil-McLain EcoTec 80 - Closed-Type Expansion Tank

Weil-McLain EcoTec 80
156 pages
Print Icon
To Next Page IconTo Next Page
To Next Page IconTo Next Page
To Previous Page IconTo Previous Page
To Previous Page IconTo Previous Page
Loading...
Part number 550-100-260/0520
47
ECO
®
Tec GAS-FIRED WATER BOILER80/110/150/199 BOILER MANUAL
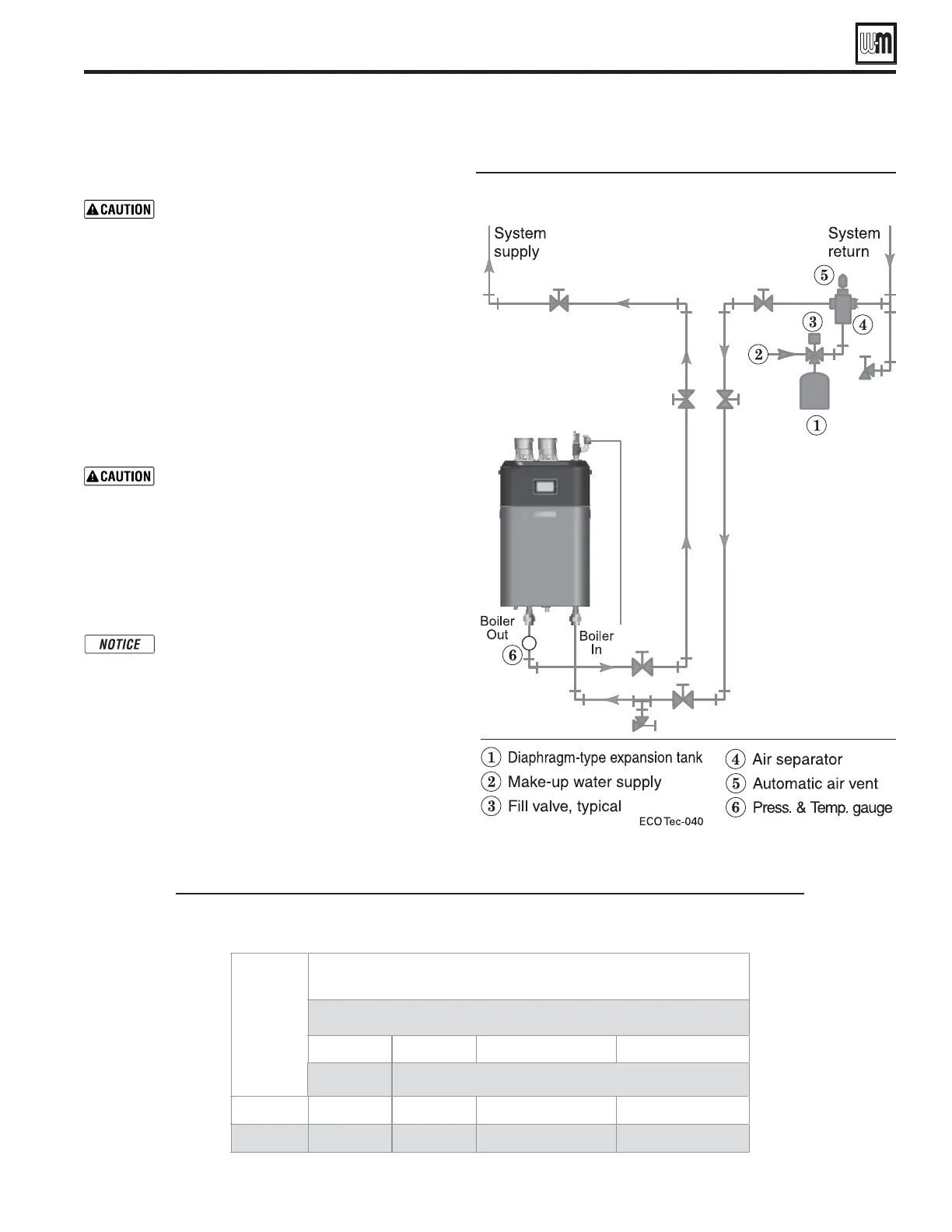
&IGURE Piping to diaphragm- (or bladder-) type expansion tank
Closed-type expansion tank:
DO NOT use a closed-type tank if connecting
to a water heater that is equipped with an
automatic air vent or if an automatic air vent
is incorporated into the system piping.
Figure 56 shows suggested piping when using a closed-
type expansion tank, in which the air is directly in contact
with tank water.
Connect piping (½" or ¾") from the air separator outlet to
the tank fitting. Slope any horizontal piping a minimum
of 1 inch per 5 feet of horizontal pipe.
Always use a tank fitting such as the B&G Tank-trol or Taco
Taco-trol (shown). The fitting reduces gravity flow of water
in the piping to the tank, avoids air bubbling through the
tank water, and provides the proper fill height in the tank
Correct all leaks in the system or tank piping.
Leaks allow air to escape from the system
and will cause water-logging of the tank.
This will result in water loss through the
boiler relief valve due to over-pressurization.
NEVER use an automatic air vent in a system
equipped with a closed-type expansion tank.
The air removed from the system will cause
water-logging of the expansion tank.
Closed-type expansion tank—Follow tank
manufacturer’s instructions for filling
the tank. Typical tank sizing provides for
approximately 12 PSIG when the tank
is filled to the normal level and system
water is cold. Note that boiler relief valve
is set for 30 PSIG. Operation pressure of
system, after temperature expansion above
cold fill pressure, should not exceed 24
PSIG to avoid weeping of relieve valve.
Direct Connect System Piping - Single Boiler System
80/110/150 Boilers only
Table 6
Boiler Pump Head
available to system
ECO
Tec
80-H 80-H 110-H (110-C) 150-H (150-C)
20° 30°
Ft. w.c. 6.6 12.7 9.1(4.6) 3.9(1.4)
GPM 7.2 4.8 6.5 9.0
&IGURE Boiler Pump Head available to system

Table of Contents

Related product manuals