EasyManua.ls Logo

Weil-McLain EcoTec 80 - Wiring Diagram - Ladder

Weil-McLain EcoTec 80
156 pages
Print Icon
To Next Page IconTo Next Page
To Next Page IconTo Next Page
To Previous Page IconTo Previous Page
To Previous Page IconTo Previous Page
Loading...
Part number 550-100-260/0520
68
ECO
®
Tec GAS-FIRED WATER BOILER80/110/150/199 BOILER MANUAL
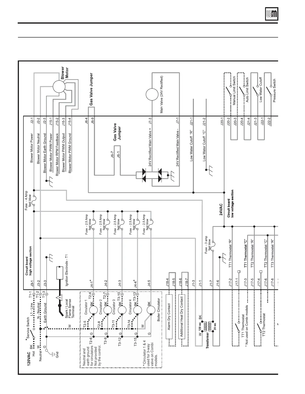
Wiring diagram — ladder
&IGURE Ladder wiring diagram (see Figure 70, page 66 for schematic wiring diagram)

Table of Contents

Related product manuals