EasyManua.ls Logo

Weil-McLain EcoTec 80 - Primary;Secondary System Piping - Single Boiler System; Expansion Tank Location; Diaphragm- or Bladder-Type Tank; Closed-Type Expansion Tank

Weil-McLain EcoTec 80
156 pages
Print Icon
To Next Page IconTo Next Page
To Next Page IconTo Next Page
To Previous Page IconTo Previous Page
To Previous Page IconTo Previous Page
Loading...
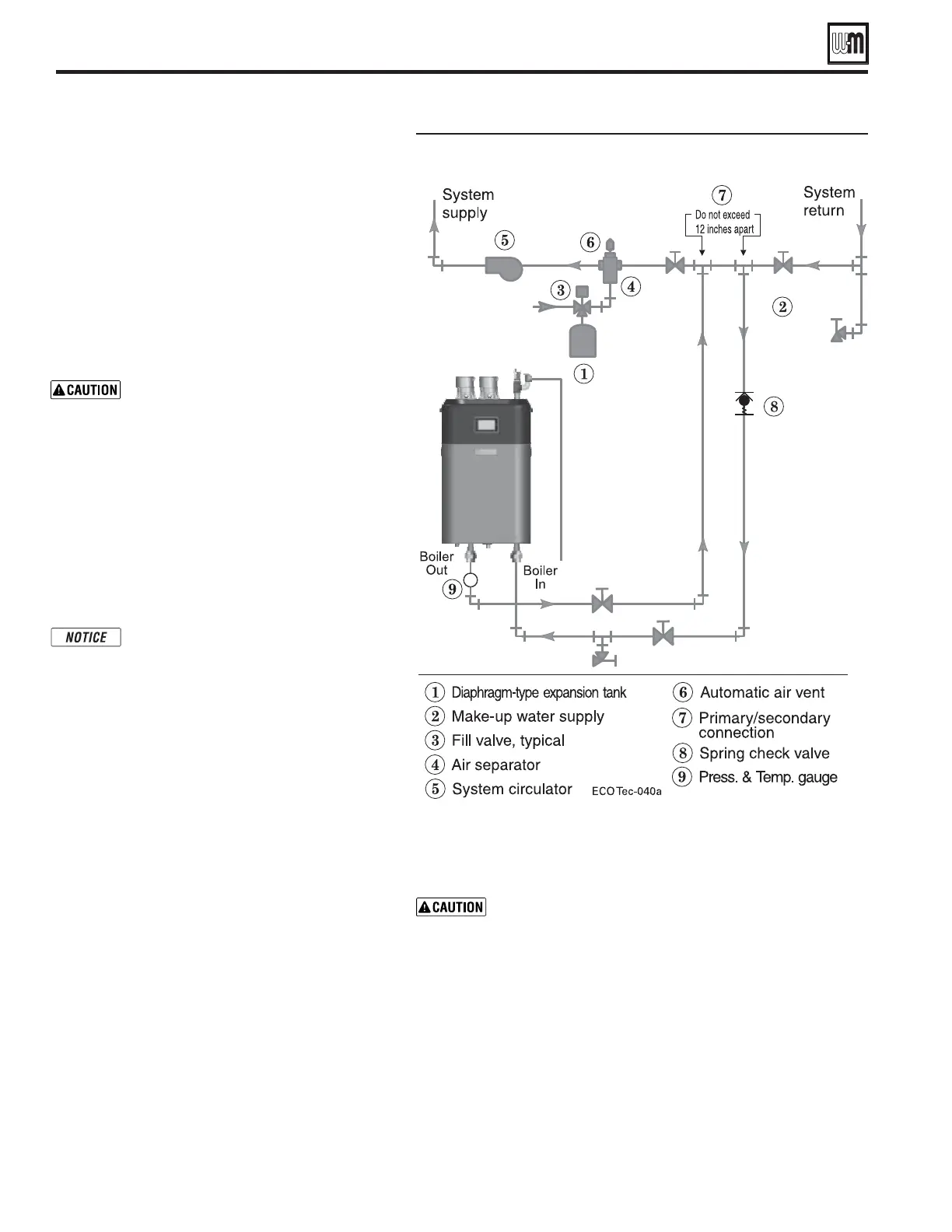
&IGURE Piping to diaphragm (or bladder) expansion tank
Part number 550-100-260/0520
50
ECO
®
Tec GAS-FIRED WATER BOILER80/110/150/199 BOILER MANUAL
Primary/Secondary System Piping - Single Boiler System
Expansion tank location
Figure 60 and Figure 61 show typical installation of the
system expansion tank. It is highly recommended that
you locate the air separator and expansion tank as shown
in the suggested piping drawings on pages 53-55.
Ensure that the expansion tank size will handle boiler
and system water volume and temperature. See tank
manufacturer’s instructions and ratings for details.
Additional tanks may be added to the system if needed
to handle the expansion. These tanks may be installed
by connecting to tees in the system piping.
Undersized expansion tanks cause system
water to be lost from the relief valve
and makeup water to be added through
the fill valve. Eventual boiler failure can
result due to excessive make-up water
addition. Always locate the cold-water ll
connection at the expansion tank. Never
locate this elsewhere.
Diaphragm- or bladder-type tank:
Refer to Figure 60 for suggested piping when using a
diaphragm- or bladder-type expansion tank.
Diaphragm- or bladder-type expansion
tank—Calculated cold fill pressure
should equal tank air charge pressure
.
Always check pressure and charge tank
with tank removed from system to be sure
reading is accurate. Boiler relief valve is
set for 30 PSIG. Operating pressure of
system, after temperature expansion above
cold fill pressure, should not exceed 24
PSIG to avoid weeping of relief valve.
Install an automatic air vent on top of the air separator,
per separator manufacturer’s instructions.
Closed-type expansion tank
DO NOT use a closed-type tank if connecting to a water
heater that is equipped with an automatic air vent or if an
automatic air vent is incorporated into the system piping.
Figure 61, page 51 shows suggested piping when using a closed-type
expansion tank, in which the air is directly in contact with tank water.
Connect piping (½" or ¾") from the air separator outlet to the tank fitting.
Slope any horizontal piping a minimum of 1 inch per 5 feet of horizontal pipe.
Always use a tank fitting such as the B&G Tank-trol or Taco Taco-trol. The
fitting reduces gravity flow of water in the piping to the tank, avoids air
bubbling through the tank water, and provides the proper fill height in the
tank. Continued on next page.

Table of Contents

Related product manuals