EasyManua.ls Logo

Weil-McLain EcoTec 80 - Page 79

Weil-McLain EcoTec 80
156 pages
Print Icon
To Next Page IconTo Next Page
To Next Page IconTo Next Page
To Previous Page IconTo Previous Page
To Previous Page IconTo Previous Page
Loading...
Part number 550-100-260/0520
79
ECO
®
Tec GAS-FIRED WATER BOILER80/110/150/199 BOILER MANUAL
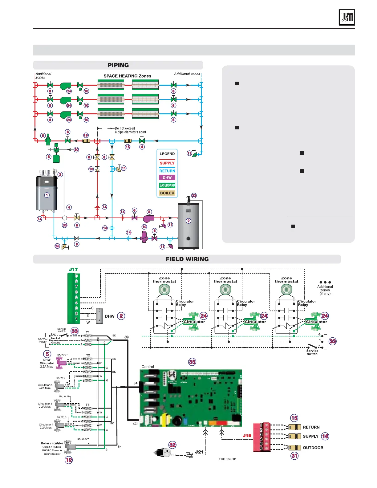
EXPRESS SETUP — Example A (continued)
-ULTIZONESPACE HEATING#IRCULATORSWITHCIRCULATORRELAYS\DHW
(Direct-piped)
LEGEND
 ECO
Tec boiler.
 Indirect water heater, if
used (domestic water
piping not shown) —
MUST be direct piped
to boiler to use default
control settings.

Relief valve, supplied
with boiler, field piped
— MUST be piped to
Boiler In connection
— see Figure 8, page 13
for information.
 Relief valve piping
to drain.
 DHW circulator.
 Isolation valves.
 Expansion tank.
 Air separator.
 Flow/check or spring
check valves.
 Purge/drain valves.
 Unions as needed
for service.
 Return temperature
sensor.
 Supply temperature
sensor.
 Make-up water supply.
DHW Temperature and
Pressure relief valve
 Zone circulators.

Boiler drain
valve, supplied with
boiler, field piped.

Pressure/temperature
gauge, supplied with
boiler, field piped.
 Outdoor sensor.
 120VAC power to
boiler — see page 60.
 Control module.
= Items supplied with
boiler — all other Items
supplied by installer.

Table of Contents

Related product manuals