EasyManua.ls Logo

Wenger Showmobile - HYDRAULIC SCHEMATIC; MANUAL LEVELING MODEL SCHEMATIC

Wenger Showmobile
36 pages
Print Icon
To Next Page IconTo Next Page
To Next Page IconTo Next Page
To Previous Page IconTo Previous Page
To Previous Page IconTo Previous Page
Loading...
34
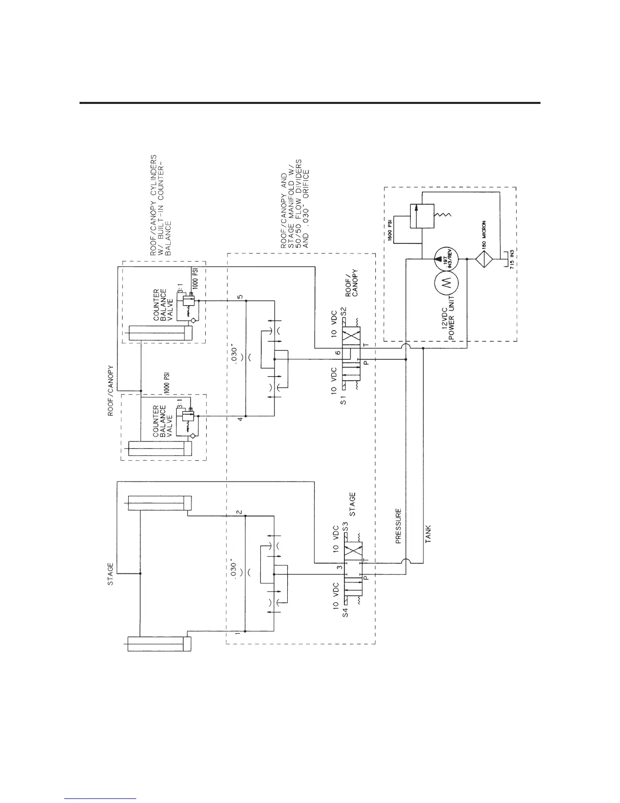
HYDRAULIC SCHEMATIC
Manual Leveling Model

Related product manuals