EasyManua.ls Logo

Western PRO-FLO - Pin Harness Wiring Diagram

Default Icon
28 pages
Print Icon
To Next Page IconTo Next Page
To Next Page IconTo Next Page
To Previous Page IconTo Previous Page
To Previous Page IconTo Previous Page
Loading...
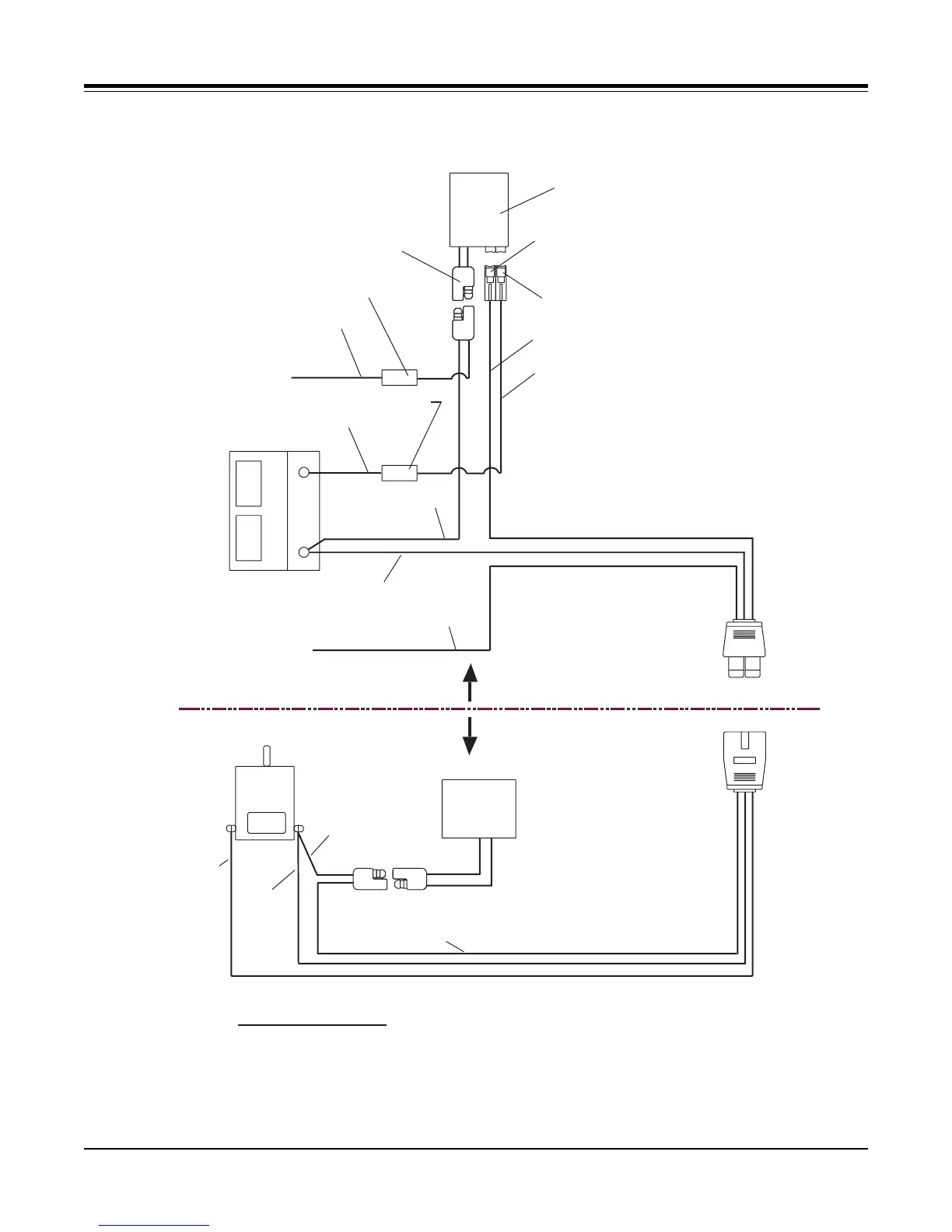
Lit. No. 13648/9511 19 January 1, 2002
Cab Control
White Connector
Red Connector
8 Ga. Red
8 Ga. Red
Two Way Molded
Connector
10 Amp Fuse
14 Ga. Red
To Vehicle Ignition
(Accessory Wire or
Fuse Box)
8 Ga. Red
30 Amp Fuse
14 Ga. Black
8 Ga. Black
14 Ga. Red
Vehicle Wiring Harness
To Vehicle CHMSL
Signal
Battery
+
_
(Early Style Wiring)
Spreader Wiring Harness
Motor
CHMSL
Assy
8 Ga.
Black
14 Ga. Black
A
B
8 Ga. Red
14 Ga. Red
Motor Specification:
12 Volt DC, .56 kW Motor
3 PIN HARNESS WIRING DIAGRAM

Related product manuals