EasyManua.ls Logo

Williams 4007332 - Page 17

Williams 4007332
48 pages
Print Icon
To Next Page IconTo Next Page
To Next Page IconTo Next Page
To Previous Page IconTo Previous Page
To Previous Page IconTo Previous Page
Loading...
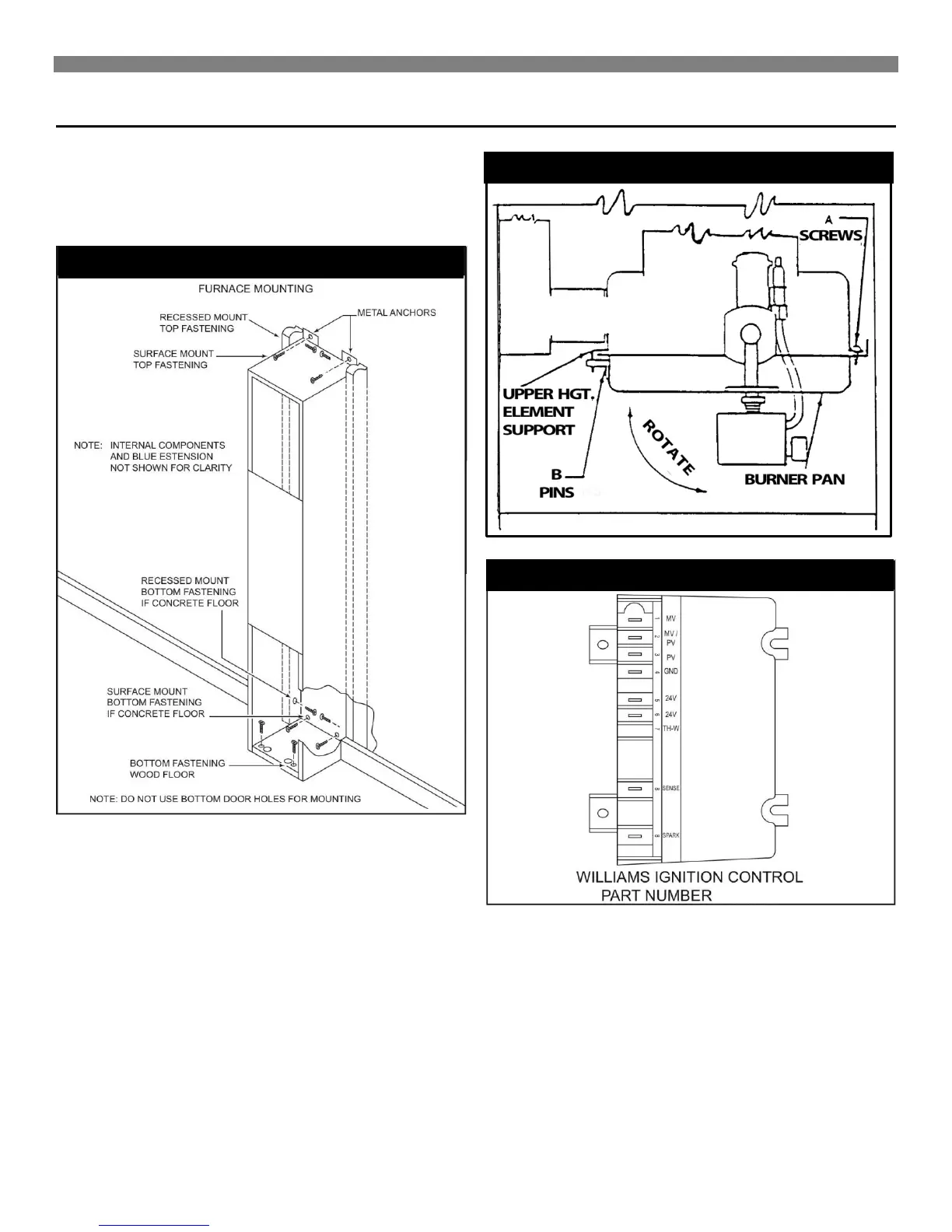
Installing Your Furnace
FASTEN FURNACE TOP (SURFACE MOUNTING)
Fasten the furnace top to wall using two (2) metal anchors
(packed in plastic bag with thermostat) by placing them over the
back flange of the furnace top and screwing them to the wall.
Refer to Fig. 21.
FASTEN FURNACE TOP (RECESSED MOUNTING)
Fasten the furnace top by drilling two (2) holes through the side
flanges of the furnace top and securing it with two (2) screws or
nails into the wall studs. Refer to Fig. 21.
CAUTION: Be careful not to damage furnace components
or wiring when drilling holes.
FIGURE 22 Burner Pan
FIGURE 23 Ignition Control
P321900
FIGURE 21 Furnace Mounting

Related product manuals