EasyManua.ls Logo

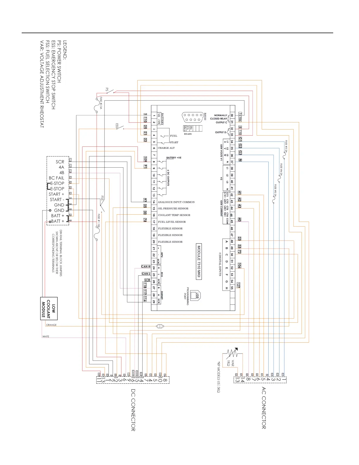
Winco DE4040F4 - Dse7310 Wiring Diagram

Winco DE4040F4
44 pages
Print Icon
To Next Page IconTo Next Page
To Next Page IconTo Next Page
To Previous Page IconTo Previous Page
To Previous Page IconTo Previous Page
Loading...
36
OPM-171/B
DSE7310 WIRING DIAGRAM

Table of Contents

Related product manuals